EasyManua.ls Logo

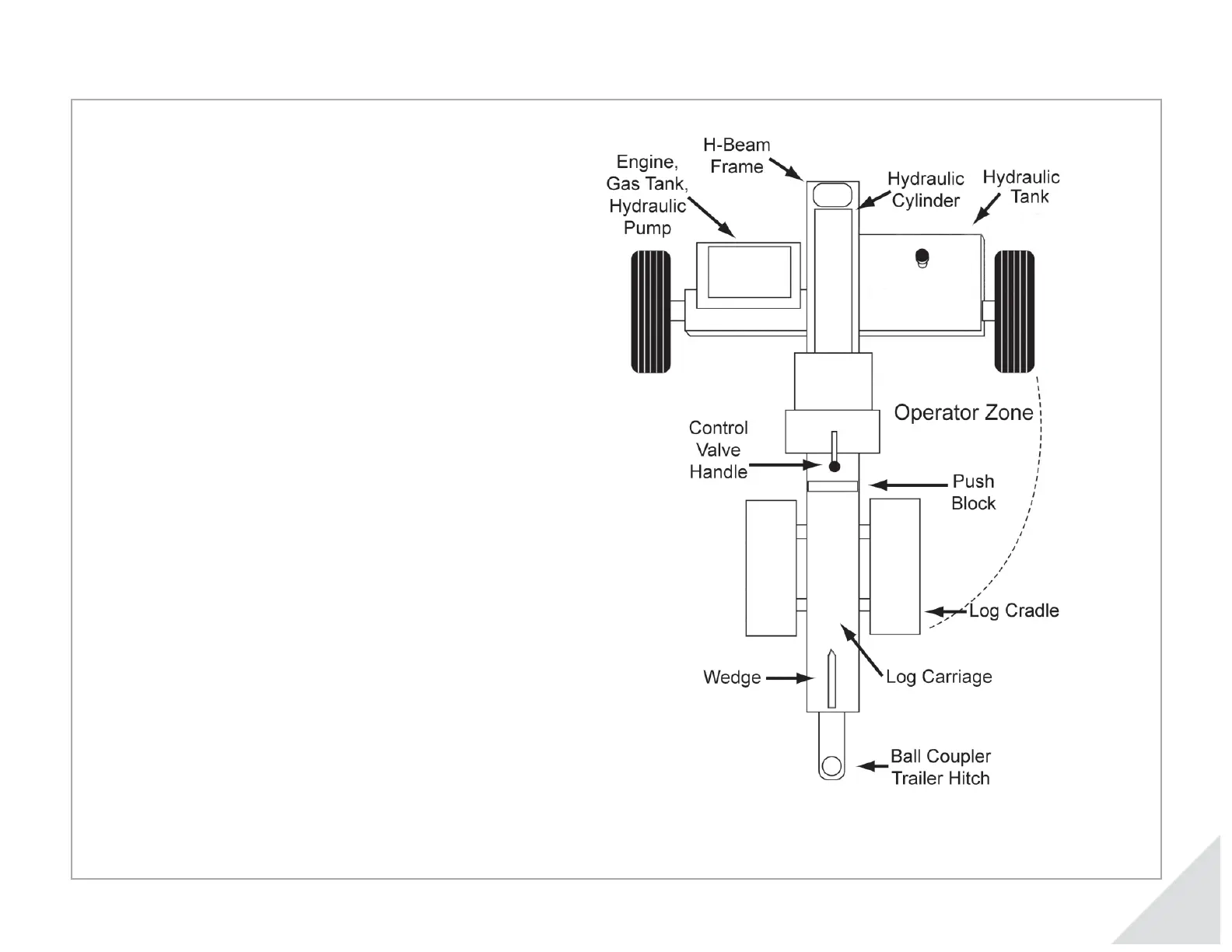
Timberwolf TW-1 - Splitter Components Overview; TW-1 Components

Timberwolf TW-1
38 pages
Print Icon
To Next Page IconTo Next Page
To Next Page IconTo Next Page
To Previous Page IconTo Previous Page
To Previous Page IconTo Previous Page
Loading...





TW-1 Components:

Splitter Components Overview

Related product manuals