EasyManua.ls Logo

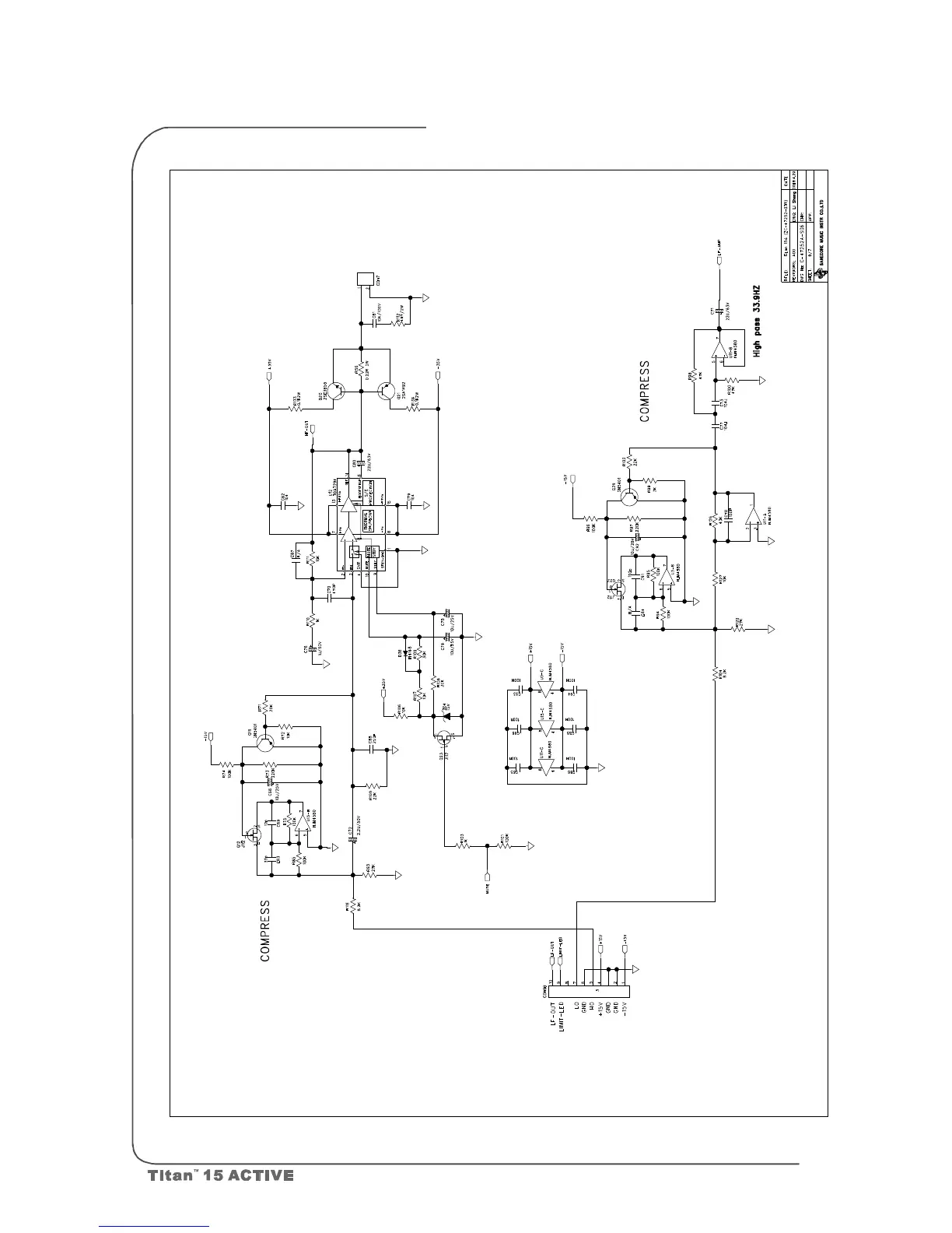
Titan 15 ACTIVE - High-Frequency Amplifier Stage

Titan 15 ACTIVE
18 pages
Print Icon
To Next Page IconTo Next Page
To Next Page IconTo Next Page
To Previous Page IconTo Previous Page
To Previous Page IconTo Previous Page
Loading...
9.SCHEMATICDIAGRAM
9