EasyManua.ls Logo

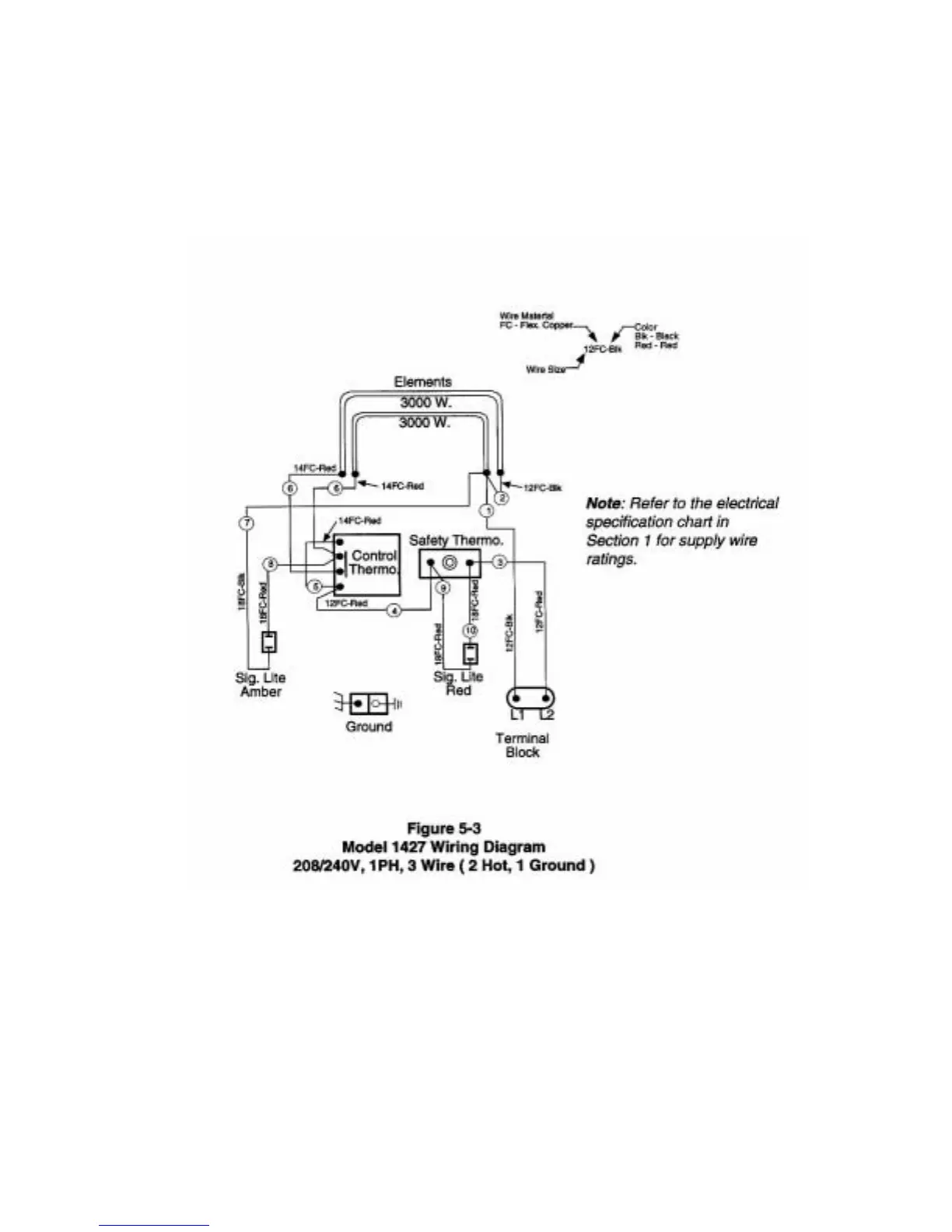
Toastmaster 1427 - Model 1427 Wiring Diagram

Toastmaster 1427
32 pages
Print Icon
To Next Page IconTo Next Page
To Next Page IconTo Next Page
To Previous Page IconTo Previous Page
To Previous Page IconTo Previous Page
Loading...
COUNTERTOP FRYERS
28
Toastmaster
®

Related product manuals