EasyManua.ls Logo

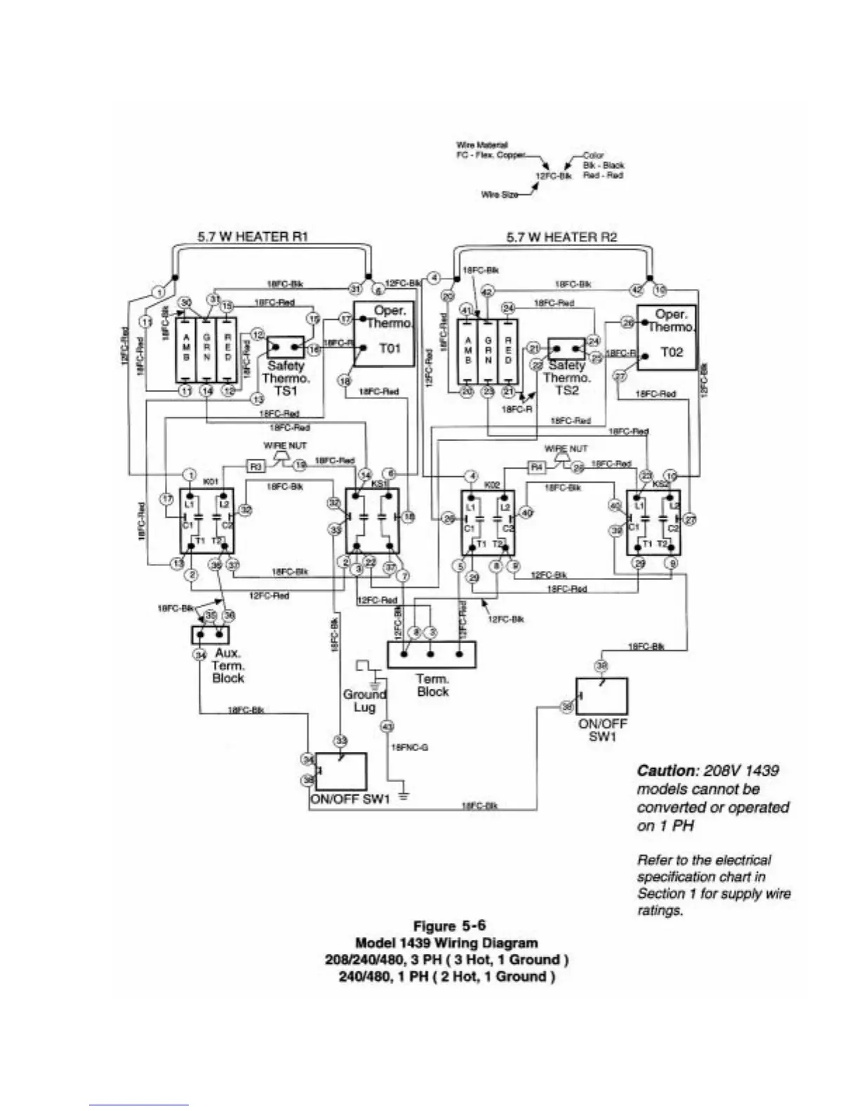
Toastmaster 1427 - Model 1439 Wiring Diagram

Toastmaster 1427
32 pages
Print Icon
To Next Page IconTo Next Page
To Next Page IconTo Next Page
To Previous Page IconTo Previous Page
To Previous Page IconTo Previous Page
Loading...
COUNTERTOP FRYERS
29
SECTION 5 - SCHEMATICS
Toastmaster
®

Related product manuals