EasyManua.ls Logo

TOORX BRX35 - Complete Bike Assembly

TOORX BRX35
10 pages
Print Icon
To Next Page IconTo Next Page
To Next Page IconTo Next Page
To Previous Page IconTo Previous Page
To Previous Page IconTo Previous Page
Loading...
9
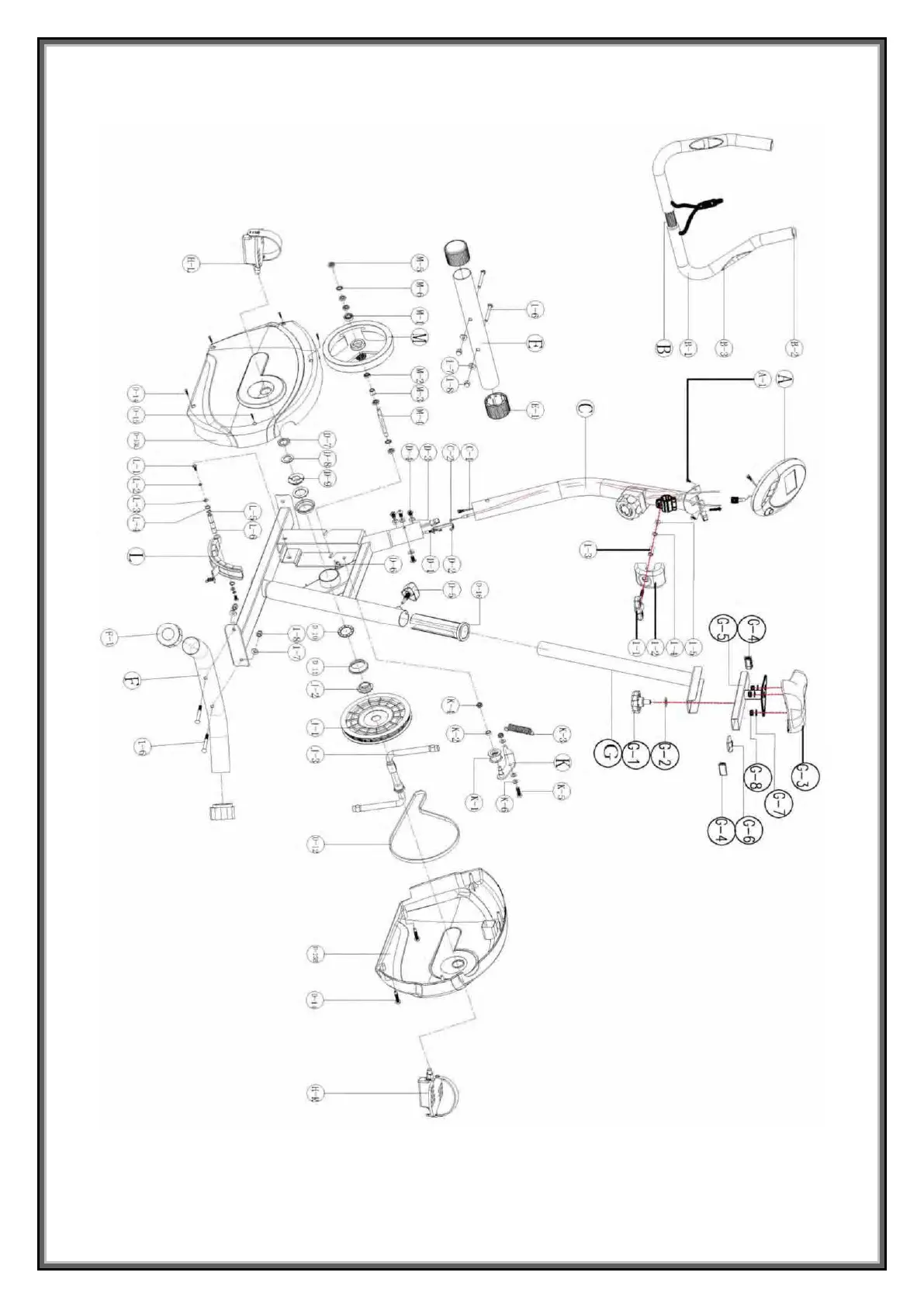
COMPLETE BIKE ASSEMBLY

Related product manuals