EasyManua.ls Logo

TopflyTech T8803 PRO - Quick Reference of Connection Diagram

TopflyTech T8803 PRO
19 pages
Print Icon
To Next Page IconTo Next Page
To Next Page IconTo Next Page
To Previous Page IconTo Previous Page
To Previous Page IconTo Previous Page
Loading...
http://www.topflytech.com
This document is copyrighted by Shenzhen Topflytech Communication Technology Co.,Ltd. All rights reserved.
Any unauthorized copy or transmission of the document wholly or partially shall be held liable.
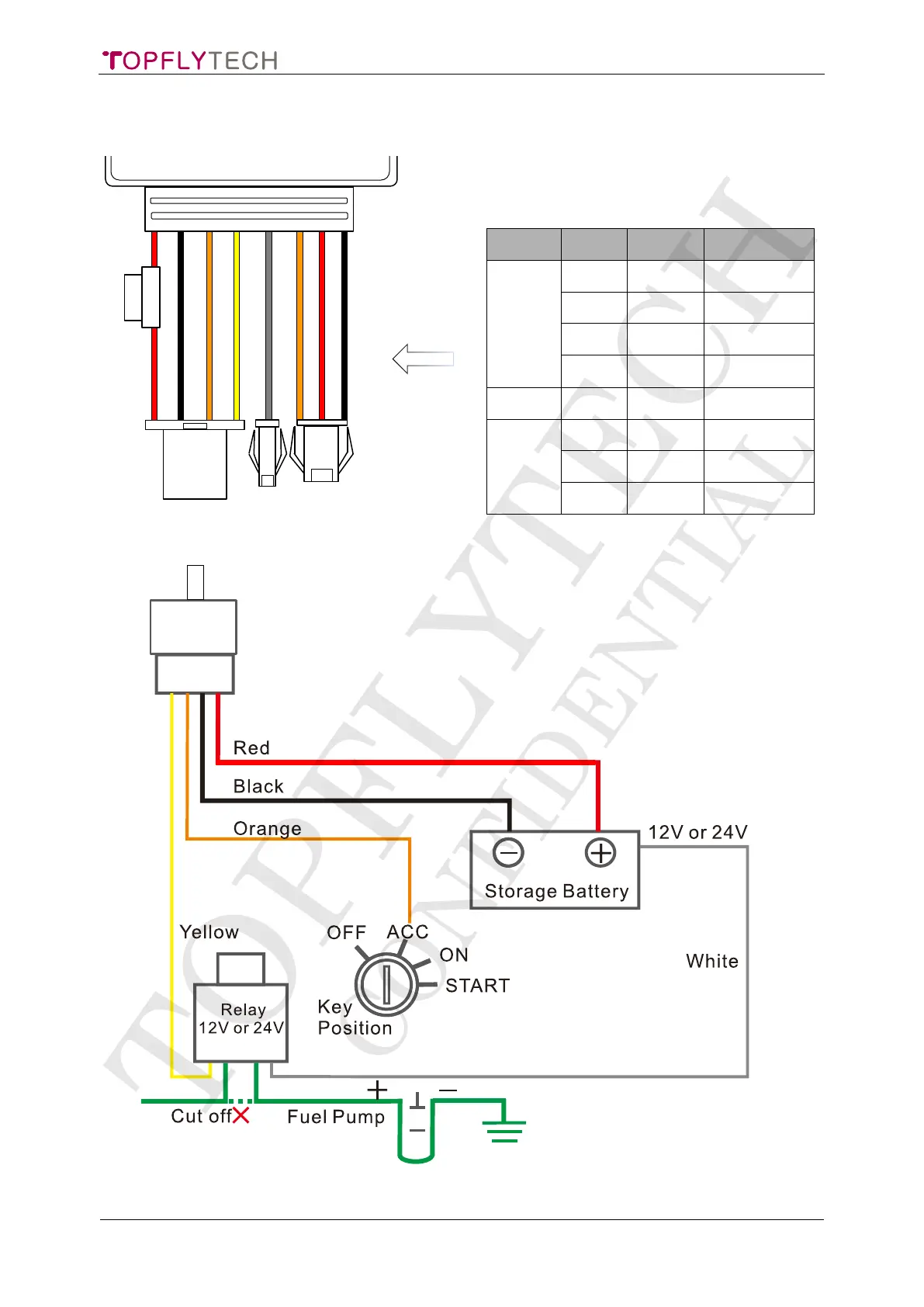
Quick Reference of Connection Diagram
- 5 -
PIN1
PIN3
PIN4
PIN5
PIN6
PIN8
PIN7
PIN2
Connector
PIN No.
Line Color
Function
1
1
Red
Power+
2
Black
Power-
3
Orange
ACC detect
(Digital input 1)
4
Yellow
Relay control
(Digital output 1)
2
5
Green
Digital input 2
(Door/AC…)
3
6
Orange
SOS
7
Red
Microphone
8
Black
GND
Fuse
Connector1
Connector3
Connector2
TOPFLYTECH
CONFIDENTIAL

Related product manuals