EasyManua.ls Logo

TorcUP EP1000 - Sub Pump Assembly (EP1000)

TorcUP EP1000
38 pages
Print Icon
To Next Page IconTo Next Page
To Next Page IconTo Next Page
To Previous Page IconTo Previous Page
To Previous Page IconTo Previous Page
Loading...
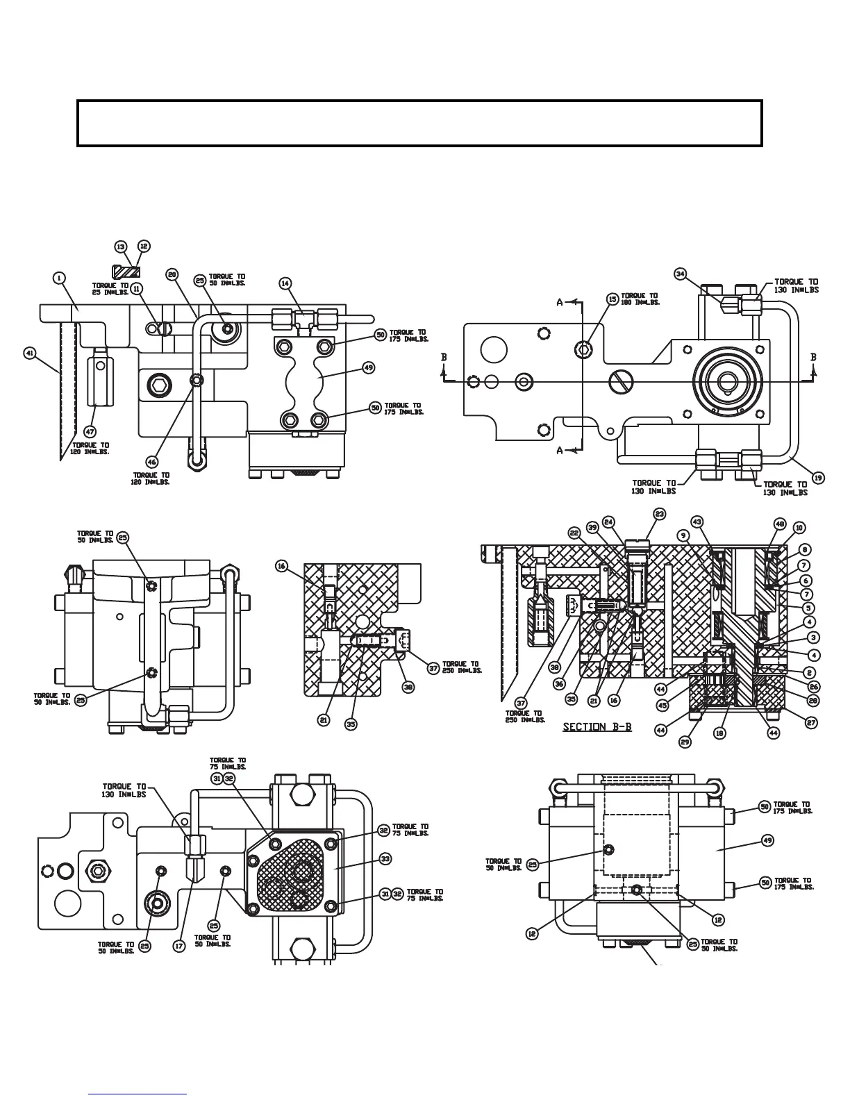
SUB PUMP ASSEMBLY
(46335) PUMP ASM.
EP1000
16/37

Other manuals for TorcUP EP1000

Related product manuals