EasyManua.ls Logo

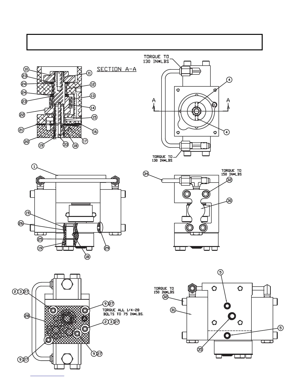
TorcUP EP1000 - Gear Section Assembly (EP500)

TorcUP EP1000
38 pages
Print Icon
To Next Page IconTo Next Page
To Next Page IconTo Next Page
To Previous Page IconTo Previous Page
To Previous Page IconTo Previous Page
Loading...
(45535) GEAR SECTION ASM.
GEAR SECTION ASSEMBLY
(45535 GEAR SECTION ASM.)
EP500
28/37

Other manuals for TorcUP EP1000

Related product manuals