EasyManua.ls Logo

Tormatic T100 DES - Page 2

Tormatic T100 DES
Print Icon
To Next Page IconTo Next Page
To Next Page IconTo Next Page
To Previous Page IconTo Previous Page
To Previous Page IconTo Previous Page
Loading...
24V DC
200 mA
24V DC
200 mA
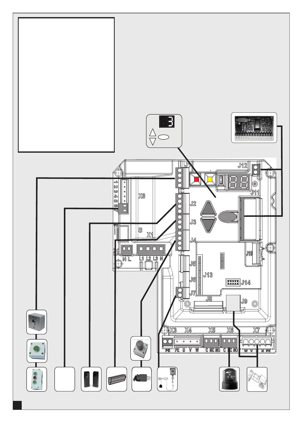
D Anschlussübersicht
GB Overview of connections
ES Vista general de las conexiones
FR Schéma de connexion
NL Aansluitklemmenschema
PT Vista geral da ligação
I Istruzioni per il montaggio e l'uso
DK Koblingsoversigt
SE Anslutningsöversikt
N Koblingsoversikt
CZ Přehled připojení
FIN Liitännän yleiskuva
PL Przegląd przyłączy
H Bekötési rajz
BG Прегледнасвързването
EST Ülevaade ühendusskeemist
SLO Pregled priključkov
3

Related product manuals