EasyManua.ls Logo

Toro 264-6 - Belt Adjustment

Toro 264-6
112 pages
Print Icon
To Next Page IconTo Next Page
To Next Page IconTo Next Page
To Previous Page IconTo Previous Page
To Previous Page IconTo Previous Page
Loading...
260 Series Tractor Service Manual 3 - 13
TUFF TORQ TRANSAXLE
Belt Adjustment
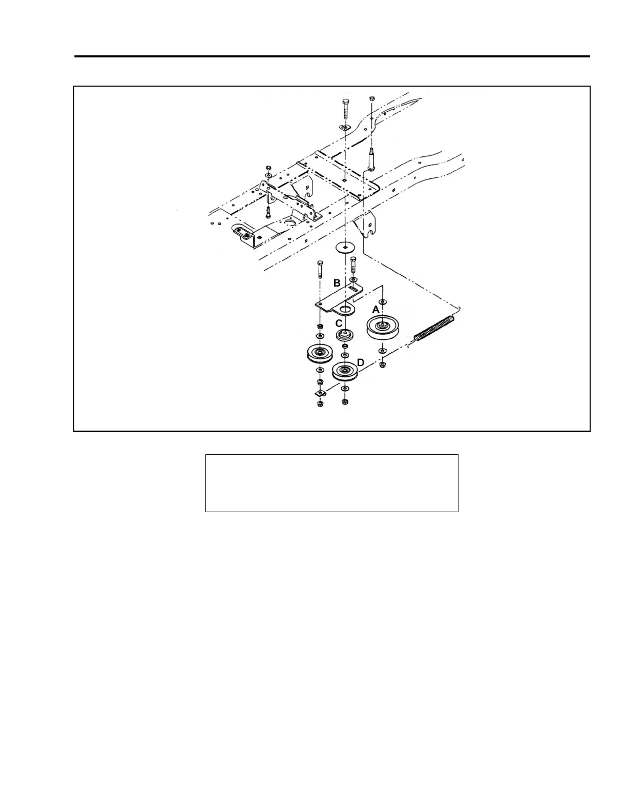
Figure 108
beltadjustment
Remove the tunnel cover to check or adjust the belt tension. Loosen the back side idler pulley, A, and move it in
the slotted mounting hole on the idler arm, B. For additional adjustment, turn the eccentric C, on the eccentric
mounted idler pulley, D.
(A) Back Side Idler Pulley
(B) Idler Arm
(C) Eccentric
(D) Eccentric Mounted Idler Pulley

Table of Contents

Related product manuals