EasyManua.ls Logo

Toro 264-H - Belt Adjustment

Toro 264-H
112 pages
Print Icon
To Next Page IconTo Next Page
To Next Page IconTo Next Page
To Previous Page IconTo Previous Page
To Previous Page IconTo Previous Page
Loading...
260 Series Tractor Service Manual 4 - 7
HYDRO-GEAR TRANSAXLE
Belt Adjustment
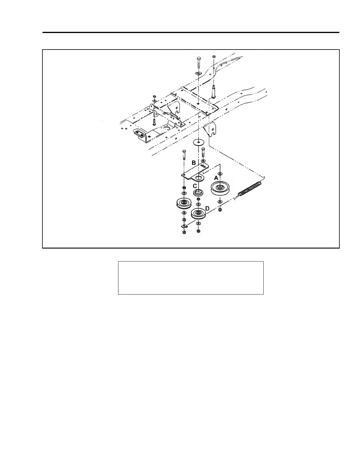
Figure 140
beltadjustment
(A) Back Side Idler Pulley
(B) Idler Arm
(C) Eccentric
(D) Eccentric Mounted Idler Pulley

Table of Contents

Related product manuals