EasyManua.ls Logo

Toro 30230 - Electrical Schematic

Toro 30230
40 pages
Print Icon
To Next Page IconTo Next Page
To Next Page IconTo Next Page
To Previous Page IconTo Previous Page
To Previous Page IconTo Previous Page
Loading...
38
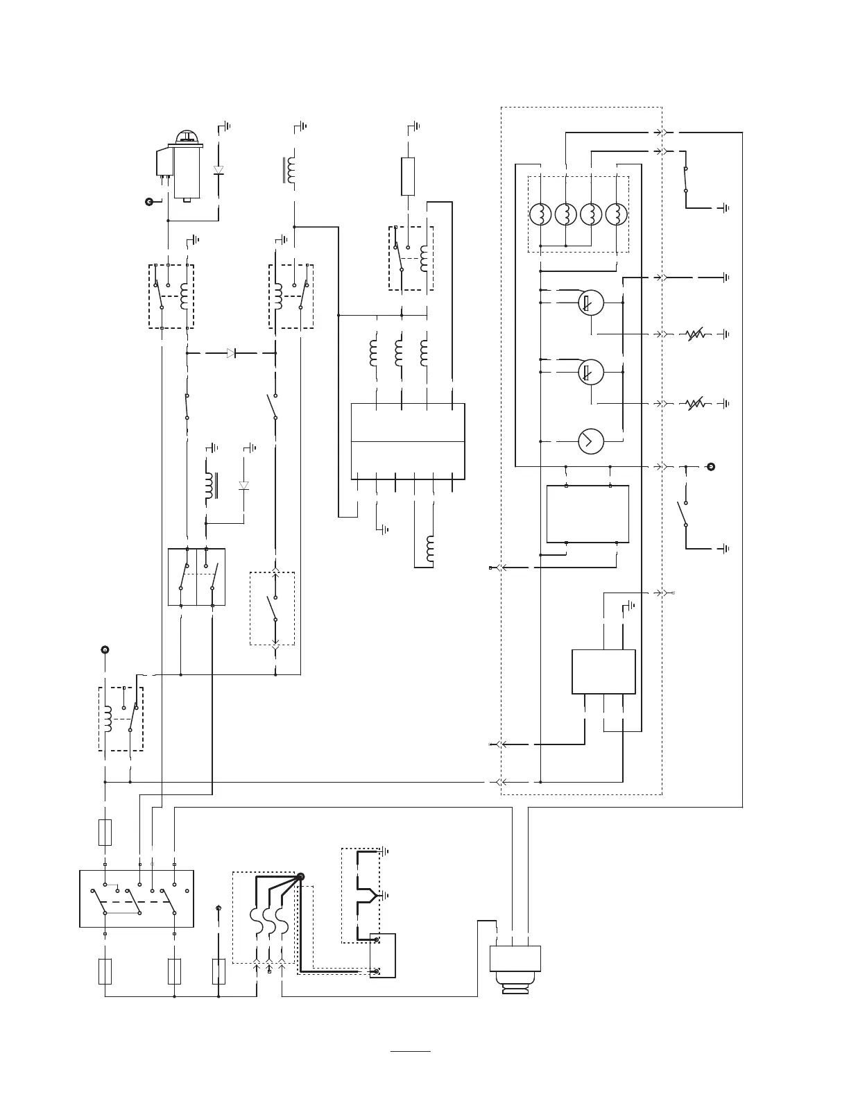
Electrical Schematic
VIO = VIOLET
R = REDR = RED
Y = YELLOW
W = WHITE
T = TAN
OR = ORANGE
PK = PINK
BATTERY GROUNDGROUND
ENGINE FRAME
(+) (–)
B
L
ALTERNATOR
R
R
PK
W
ALL MAIN HARNESS GROUND POINTS
MARKED AS BLACK WIRE ARE
CONNECTED TOGETHER AND TO
THE ENGINE GROUND
KEY TO WIRE COLORS
BR = BROWN
BK = BLACK GN = GREEN
GY = GRAY
BU = BLUE
3
2
OR
PK
1
(NOT USED)
PLUG
GLOW CONTROLLER
VIO
PK VIO
6
5
4
CONTROL PANEL HARNESS
PK
P22–HP22–D
N.C.
GROUND
N.C.
_
N.C.
_
CRANK POSITION
PULSAR COIL
PULSAR COIL
BL
BR
N.C.
P22–A
8
N.C.
PK
2
GN
BN
BK
GN
PLUG
(NOT USED)
HIGHTEMP OVERRIDE
7
BN
3
BN
BN
P22–B
(TEMPERATURE OK)
ENGINE OVER TEMP.
ENGINE
N.C.
TO OVER TEMP
SHUTDOWN RELAY
BN
GY PK
F 2 7.5 A
Y
S
START
VIO
A
X
Y
/ FUSE BLOCK
F 3 15 A
OPTIONAL LIGHT
BU
FUSIBLE LINK HARNESS
R
R
ON STARTER
B+
TIE POINT
POSITIVE BATTERY CABLE
BB
NEGATIVE BATTERY CABLE
R
FL1
FL2
FL3
BK
GY
GY
N.C.
F 1
15 A
BI
OR
F 4
RUN
OFF
Y
7.5 A
PK PK BN
TO OVER TEMPERATURE SWITCH
P11–B
OR
PK
OR
30
85
87
86
87a
(CONNECTED TO GROUND ON OVER TEMP CONDITION)
OVER TEMP SHUT DOWN
SEE CONTROL PANEL HARNESS
OR
GN
PTO
CLUTCH
BU
BU
Y
BU
1
2
1
2
(OFF)
PTO SWITCH
P29
P27
SEAT SWITCH HARNESS
(OFF)
SEAT SWITCH
P11–A
Y
PINKORANGE
DIODE
(D3)
PROTECTION
BK
POWER
R/BK
PARKING BRAKE SWITCH
(ON)
W WY
W
30
85
87
86
87a
OR
1
2
OR
1
R/BK
RUN ENABLE
NEUTRAL SWITCH
(NEUTRAL) START ENABLE
30
86
VIO
GN Y Y
LOGIC
DIODE
(D2)
Y
BK
BK
87a
B+ TO FUSIBLE LINK HARNESS
87
85
Start
B+
STARTER
BU
BK
BU
GY+BK
(D1)
DIODE
PROTECTION
BU BK
BK
R/BK R/BK
FUEL SOLENOID
ENGINE
BKENGINE
FUEL
SENDER
TEMPERATURE
SENDER
BN
P22–J
BN
BN BUY
BUY
P22–K P22–E P22–C
BK GY
GY
P22–F
BK
OIL PRESSURE SWITCH
ENGINE
(LOW PRESSURE)
W
W
P22–G
PKPKPK
L
BKBK
BUY
TEMP
I
G
S
FUEL
S
G
I
(–)
HR
(+)
PK
IGNITION CONTROL
MODULE
– IGN COIL 1 +
P31 P32 FUEL PUMP
– IGN COIL 2 +
– IGN COIL 3 +
W
BU
3
2
GN
4
4
3
5
6
R/BK
R/BKR/BK
R/BK
30
85
87
86
87a
FUEL PUMP
FUEL PUMP
BKW
BU
DA
PK BN
PK
OVER
TEMP
ALT
L
F
W
CLUSTER GAUGE
OIL
PRES
GLOW
PK
E
BK
GY
BC
OR

Table of Contents

Related product manuals