EasyManua.ls Logo

Toro 30582 - Electrical Schematic - Model 30582

Toro 30582
64 pages
Print Icon
To Next Page IconTo Next Page
To Next Page IconTo Next Page
To Previous Page IconTo Previous Page
To Previous Page IconTo Previous Page
Loading...
58
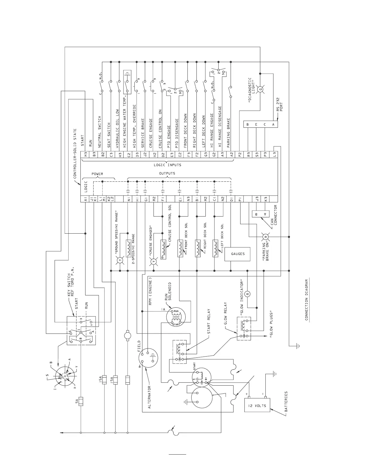
Electrical Schematic – Model 30582
12 GA FUSIBLE
LINK 106–0065
16 GA FUSIBLE
LINK 99–6125
12 GA FUSIBLE
LINK 106–0065
16 GA FUSIBLE
LINK 99–6125
104–2541
S2
99–7435
99–7435
STARTER
92–2641
FUSE BOX
(OPTIONAL)
ACCESSORY
10A
M
AIR–RIDE COMPRESSOR

Table of Contents

Other manuals for Toro 30582

Related product manuals