EasyManua.ls Logo

Toro 30582 - Hydraulic Schematic - Model 30582

Toro 30582
64 pages
Print Icon
To Next Page IconTo Next Page
To Next Page IconTo Next Page
To Previous Page IconTo Previous Page
To Previous Page IconTo Previous Page
Loading...
60
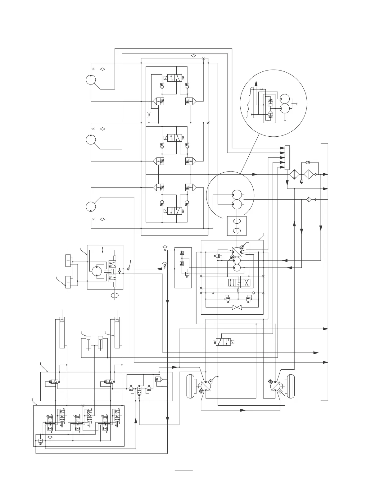
Hydraulic Schematic – Model 30582
P2
OPEN TO
COMBINE
FLOW
OPTIONAL POWER
UP FRONT KIT
P1
RETURN MANIFOLD
100 MESH
STRAINER
COOLER
50 PSI
40 PSI
1.79
1.79
20 GPM
20 GPM
2000 PSI
5 GPM LOCKOUT DIRECTIONAL
CONTROL VALVE WITH DETENTED
LOCKOUT PLUNGER
FLOAT / TRACTION ASSIST
MANIFOLD BLOCK
WING DECK
LIFT–RIGHT
2 1/2 BORE X 3 1/4 STROKE
CENTER DECK LIFT
A
2.7 TURNS
LOCK TO LOCK
R
M3P M2R M2P
T
E1
F
B
2 1/2 BORE X 14 INCH STROKE
1 1/2 INCH CUSHION ROD END
WING DECK
LIFT–LEFT
A1
B
.02
R2BR
100 PSI
25 PSI
SV2
R2BV
3000 PSI
75 PSI
BV2
BR2
TRACTION PUMP
TEST PORTS
AUXILIARY
14 GPM
BR2
BV3
75 PSI
3000 PSI
R3BV
SV3
25 PSI
R3BR
100 PSI
VALVE BLOCK
TP3
TP2
P1
1.651.65
BV1
BR1
SV1
3000 PSI
R1BR
100 PSI
R1BV
1.65
2750/1150 RPM
ENGINE
2.8
0.851.16
SEC
FRONT DECK DRIVE
F
E
D
C
285
0.96
15.88:1
2.8
2 SPEED
SOLENOID
PRIORITY
FLOW
DIVIDER
COVER
600
PSI
BYPASS VALVE
5000 PSI
3.5 GPM
400
PSI
LEFT WHEEL
RIGHT WHEEL
0.96
2.8
15.88:1
.120
.047
2000
PSI
50 PSI
O
I
450
PSI
P1 P2
52.4 GPM
P
T
450
PSI
50 PSI
TEST PORTS
PRI
1500 PSI
PR
L
A
E
M1 M3 M2
M3R
LEFT WING
DECK DRIVE
RIGHT WING
DECK DRIVE
MIP MIR
T
P
11 GPM
3.0 GPM
PRIORITY
STEERING CONTROL UNIT
6.2 CU INCH
STEERING CYLINDERS
1 1/4 BORE X 6 INCH STROKE
3/4 ROD
INLET
CHECK VALVE
75 PSI
TEST PORTS
PORT
TEST
PORT
TEST
PORT
TEST
B
B
B
B B
B
B

Table of Contents

Other manuals for Toro 30582

Related product manuals