EasyManua.ls Logo

Toro 30609 - Page 373

Toro 30609
374 pages
To Next Page IconTo Next Page
To Next Page IconTo Next Page
To Previous Page IconTo Previous Page
To Previous Page IconTo Previous Page
Loading...
Page 10 -- 19
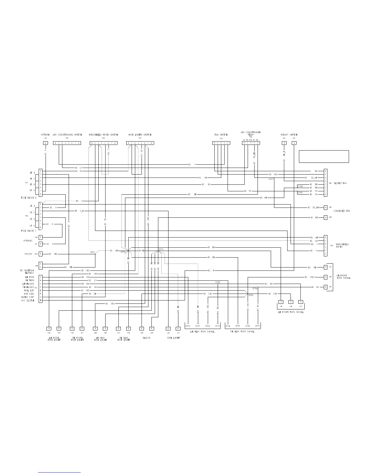
Groundsmaster 4010--D
Operator Cab Wire Harness Diagram
DRAWING DESIGNATIONS IN THIS CHAPTER
NOTE: THIS DRAWING IDENTIFIES WIRE GAUGE
SIZE AND WIRE COLOR. REFER TO ELECTRICAL
FOR ADDITIONAL INFORMATION.

Table of Contents

Other manuals for Toro 30609

Related product manuals