EasyManua.ls Logo

Toro 72046 - Troubleshooting; Troubleshooting: Starter Not Cranking; Troubleshooting: Engine Start or Running Issues; Troubleshooting: Engine Power Loss

Toro 72046
40 pages
Print Icon
To Next Page IconTo Next Page
To Next Page IconTo Next Page
To Previous Page IconTo Previous Page
To Previous Page IconTo Previous Page
Loading...
Maintenance
33
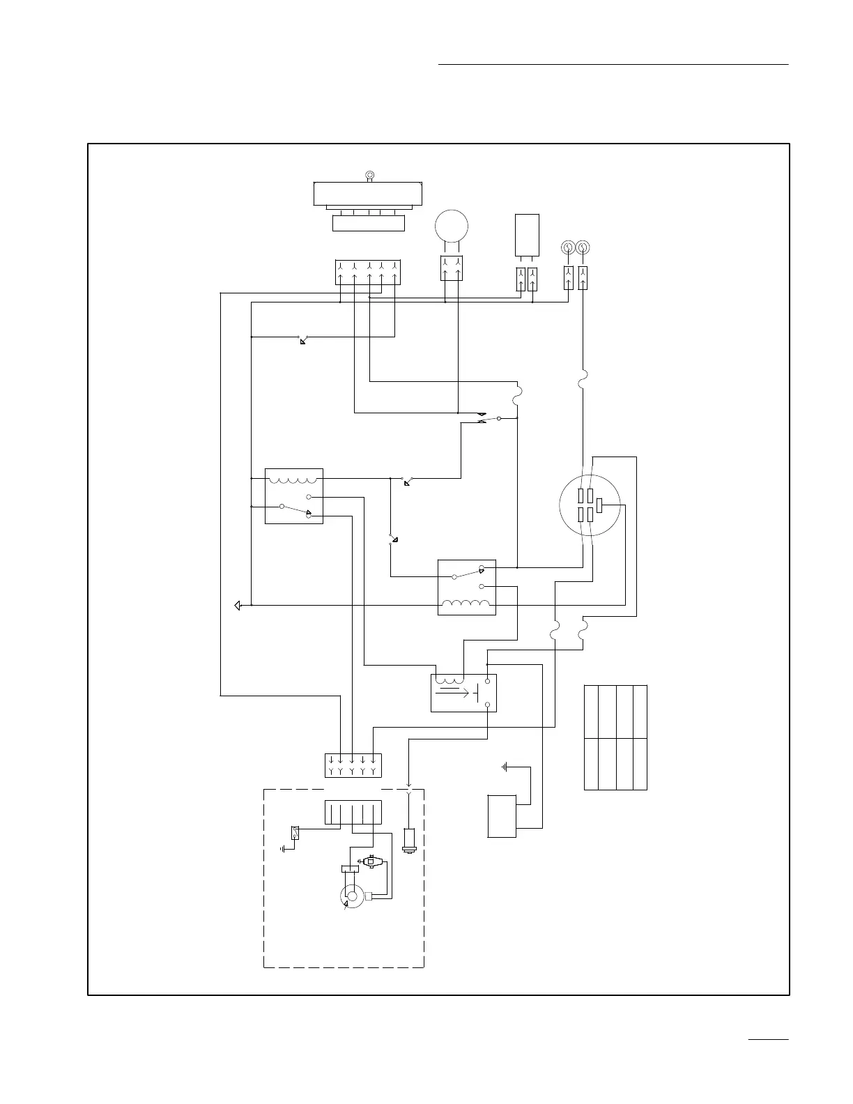
Wiring Diagram
!









 























 













































































Related product manuals