EasyManua.ls Logo

Toro 72103 - Wiring Diagram

Toro 72103
40 pages
Print Icon
To Next Page IconTo Next Page
To Next Page IconTo Next Page
To Previous Page IconTo Previous Page
To Previous Page IconTo Previous Page
Loading...
Maintenance
33
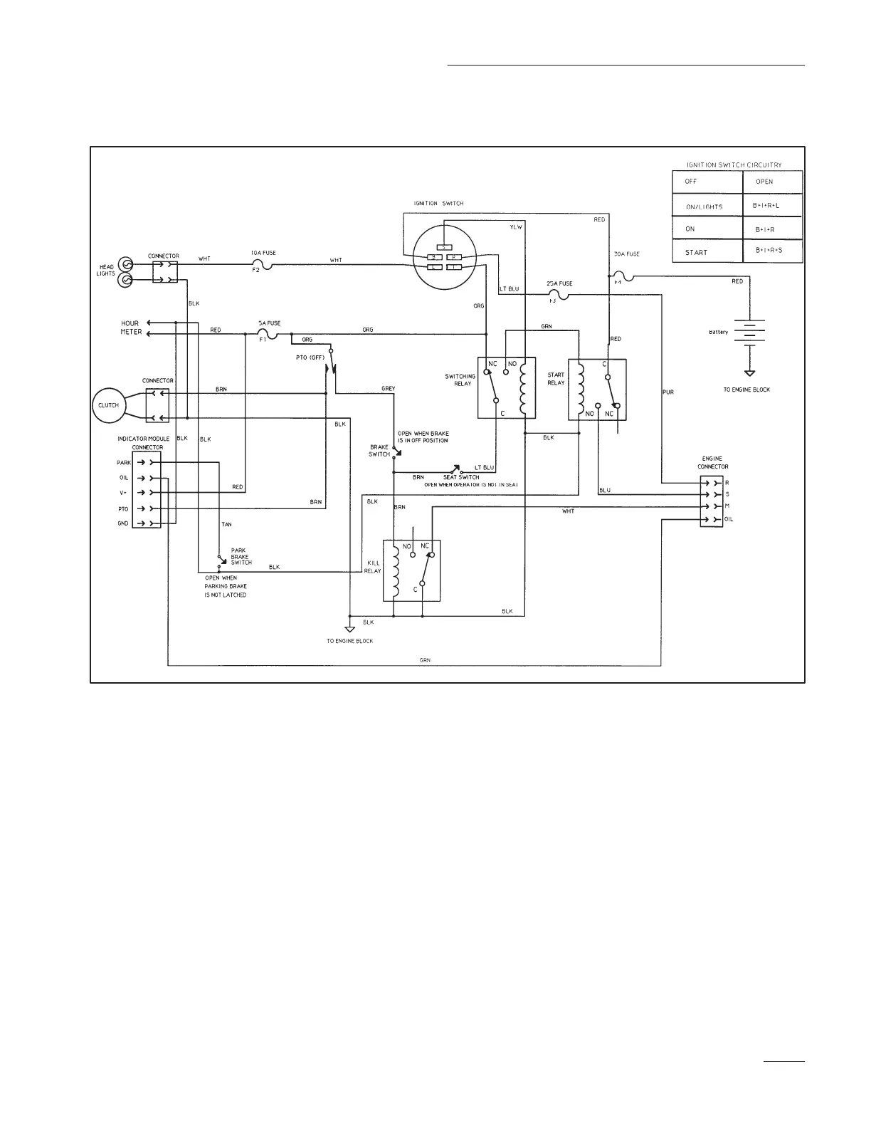
Wiring Diagram
1250

Related product manuals