EasyManua.ls Logo

Toro 72115 - Page 40

Toro 72115
44 pages
Print Icon
To Next Page IconTo Next Page
To Next Page IconTo Next Page
To Previous Page IconTo Previous Page
To Previous Page IconTo Previous Page
Loading...
Maintenance
38
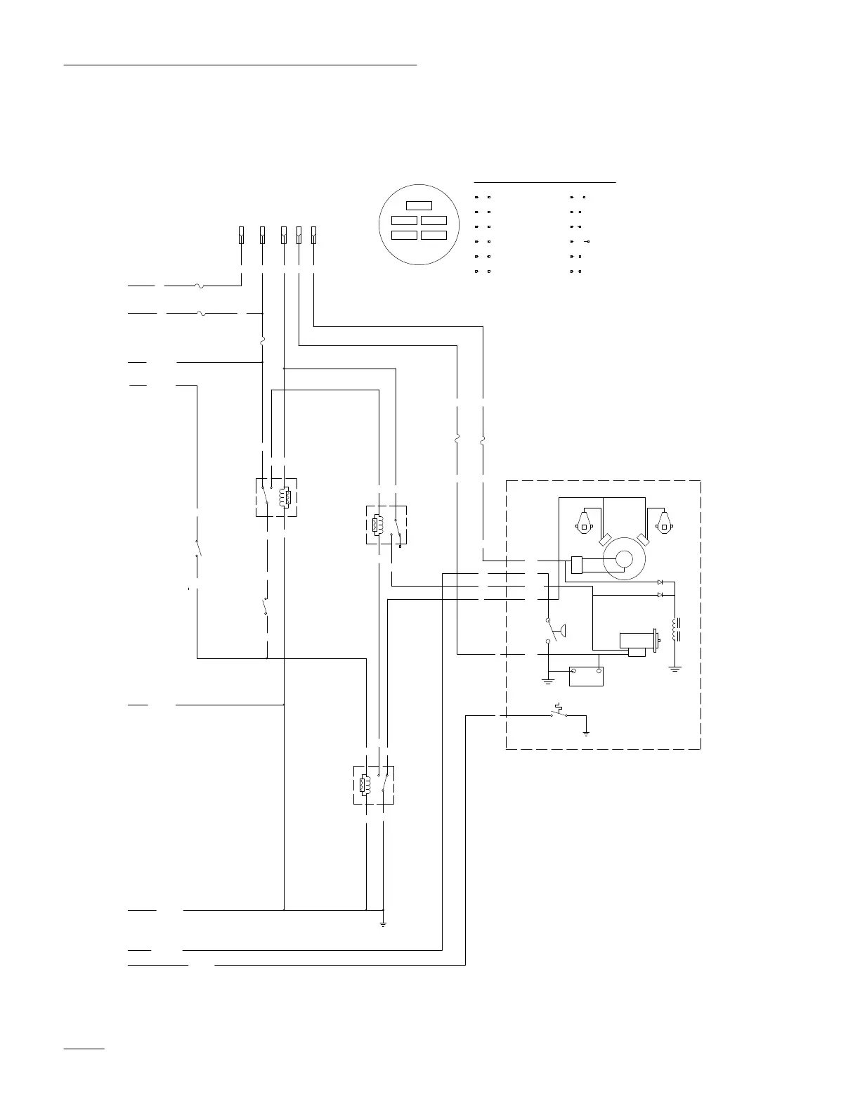
SW1
(SEAT SWITCH)
SEAT SWITCH IS CLOSED
WHEN OPERATOR IS IN
THE SEAT
T
Y
Y
4
L
3
I
(IGNITION SWITCH)
OFF-----------NO CONNECTION
RUN/LIGHTS----------B I R L
RUN---------------B I R
START--------------B I R S
SW4
10A
F4
25A
F5
PKBU
OR
PKOR
270 HYDRO
10A
F3
SW2
(BRAKE SWITCH)
BRAKE SWITCH
CLOSES WHEN BRAKE
IS DEPRESSED
2
3
5
4
1
K2
(INTERLOCK RELAY)
OR
GY
T
PK
1
3
VIO
VIO
OR BN
BN
R
R
BK
GN
BU
VIO
GN
2
3
5
4
1
K3
(START RELAY)
25A
F2
30A
F1
2
R
1
S
5
B
I
R
BLACK
GREY
ORANGE
BROWN
BLUE
B
L
S
GREEN
WIRE COLOR CODES
TAN
RED
PINK
VIOLET
WHITE
YELLOW
IGNITION SWITCH TERMINAL
LOCATIONS VEIWED FROM BACK.
VIOBN R
Y
W
OR
GY
GN
BK
BN
BU
R
T
PK
VIO
GND
2
3
5
4
1
(KILL RELAY)
K1
+-
B+
CLOSES WITH
PRESSURE
SPARK PLUG SPARK PLUG
IGNITION
MODULES
AC
AC
MAG
REG
OIL
START
5
3
2
1
SOLINOID
SHIFT
STARTER
OIL
SWITCH
FUEL
SOLINIOD
(TEMP. SWITCH)
SWITCH OPEN WITH
HIGH TEMPERATURE
Y
BU
W
R
BK
BK
WY
GN
4
GY
PK
BK
BK
GN
Y

Related product manuals