EasyManua.ls Logo

Toro 72115 - Wiring Diagram

Toro 72115
44 pages
Print Icon
To Next Page IconTo Next Page
To Next Page IconTo Next Page
To Previous Page IconTo Previous Page
To Previous Page IconTo Previous Page
Loading...
Maintenance
37
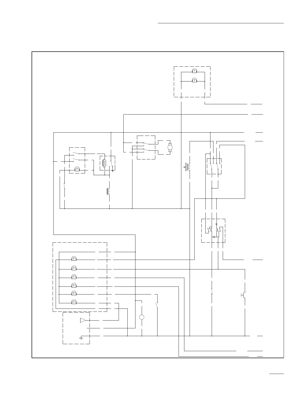
Wiring
Diagram
2328
VOLTAGE
COMPARATOR
B+
BATTERY LIGHT MODULE
F
A
D
#194 LAMPBATTERY
-
+
HOUR
METER
C2C1
(LOW FUEL)
SW9
E
F
PK
BK
OR OR
BK BK
OR
BK
PK
OIL
OVER RIDE
PTO
WARNING LIGHT HARNESS
C
#194 LAMP
#194 LAMP
A
#194 LAMP
TEMP
LOW
#194 LAMP
#194 LAMP
B
D
G
H
GYGYGY
T
Y Y
PK PK
W W
T
GNGN
CLUTCH
NMIR
MODULE
1
3
2
4
6
5
(REVERSE SWITCH)
SW5
BU
BKGN T
W
GN
T
PK
SWITCH OPENS WHEN
HYDRO PEDAL IS MOVED
TO REVERSE
SWITCH CLOSES
WHEN KEY IS
TURNED
(KEY OVER RIDE)
SW6
BK
BK
2
87
BK
BK
BU
1
SW8
(CRUISE DISENGAGE SWITCH)
SWITCH OPENS WHEN
BRAKE IS DEPRESSED
2
3
5
(MOMENTARY)
6
SW7
CRUISE SWITCH
CRUISE SWITCH OPERATION
OFF NO CONNECTION
ON 3 AND 2 CONNECTED
MOMENTARY 3 AND 2 CONNECTED 5 AND 6 CONNECTED
PK
T
BU
2
5
6
4
3
1
SW10
(LIFT SWITCH)
BK
PK
Y
BU
BU
BU
BK
CRUISE MAGNET
2
3
5
4
1
(CRUISE RELAY)
K4
HEADLIGHT HARNESS
BU
OR
BK OR
BK OR
270 HYDRO
1
2
5
4
7
8
(PTO SWITCH)
SW3
LIFT
PUMP
PTO
CLUTCH
PTO SWITCH IS
SHOWN IN OFF
POSITION
W
OR
BN
GY
PK W
BN
BUBU
BK
FUEL
GY
PK
BK
BK
GN
Y

Related product manuals