EasyManua.ls Logo

Toro 72116 - Wiring Diagram

Toro 72116
44 pages
Print Icon
To Next Page IconTo Next Page
To Next Page IconTo Next Page
To Previous Page IconTo Previous Page
To Previous Page IconTo Previous Page
Loading...
Maintenance
36
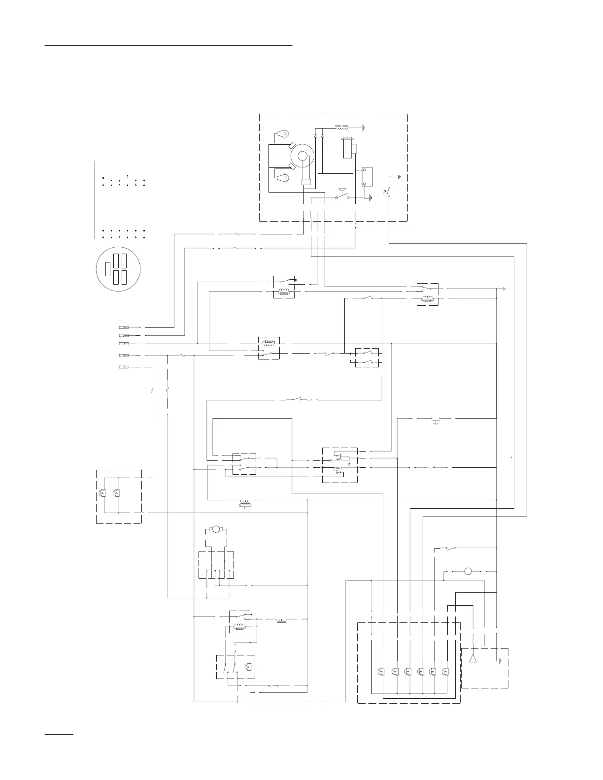
Wiring
Diagram
VOLTAGE
COMPARATOR
B+
BATTERY LIGHT MODULE
F
A
D
#194 LAMP
BATTERY
E
F
PK
BK
OR OR
BK BK
OR
BK
PK
(LOW FUEL)
SW9
-
+
HOUR
METER
OIL
OVER RIDE
PTO
WARNING LIGHT HARNESS
C
#194 LAMP
#194 LAMP
A
#194 LAMP
TEMP
LOW FUEL
#194 LAMP
#194 LAMP
B
D
G
H
GYGYGY
T
Y Y
PK PK
W W
T
GNGN
CLUTCH
NMIR
MODULE
1
3
2
4
6
5
(REVERSE SWITCH)
SW5
SW1
(SEAT SWITCH)
SEAT SWITCH IS CLOSED
WHEN OPERATOR IS IN
THE SEAT
BU
BKGN T
W
T
GN
T
PK
(NEUT. SWITCH)
SW8
1
2
3
4
VIO
OR
VIO
SWITCH OPENS WHEN
HYDRO PEDAL IS MOVED
TO REVERSE
SWITCH CLOSES
WHEN KEY IS
TURNED
(KEY OVER RIDE)
SW6
BK
BK
2
87
BK
BK
BU
1
SWITCH OPENS WHEN
BRAKE IS DEPRESSED
SW2B
(CRUISE DISENGAGE SWITCH)
2
3
5
(MOMENTARY)
6
SW7
CRUISE SWITCH
CRUISE SWITCH OPERATION
OFF NO CONNECTION
ON 3 AND 2 CONNECTED
MOMENTARY 3 AND 2 CONNECTED 5 AND 6 CONNECTED
PK
T
BU
PK
Y
BU
BU
4
3
1
6
2
5
SW8
(LIFT SWITCH)
CRUISE MAGNET
2
3
5
4
1
(CRUISE RELAY)
K4
BK
BU
BK
4
L
3
I
HEADLIGHT HARNESS
(IGNITION SWITCH)
OFF-----------NO CONNECTION
RUN/LIGHTS----------B I R L
RUN---------------B I R
START--------------B I R S
SW4
10A
F4
25A
F5
PKBU
OR
PKOR
BK OR
BK OR
1
2
5
4
7
8
(PTO SWITCH)
SW3
BUBU
BK
LIFT
PUMP
PTO
CLUTCH
W
OR
BN
GY
PK
W
BN
10A
F3
GY
BRAKE SWITCH
CLOSES WHEN BRAKE
IS DEPRESSED
SW2A
(BRAKE SWITCH)
3
4
2
3
5
4
1
K2
(INTERLOCK RELAY)
PTO SWITCH IS
SHOWN IN OFF
POSITION
OR
T
VIO
VIO
OR BN
BN
R
R
BK
GN
BU
VIO
GN
2
3
5
4
1
K3
(START RELAY)
25A
F2
30A
F1
2
R
1
S
5
B
I
R
BLACK
GREY
ORANGE
BROWN
BLUE
B
L
S
GREEN
WIRE COLOR CODES
TAN
RED
PINK
VIOLET
WHITE
YELLOW
IGNITION SWITCH TERMINAL
LOCATIONS VEIWED FROM BACK.
VIOBN R
Y
W
OR
GY
GN
BK
BN
BU
R
T
PK
VIO
GND
2
3
5
4
1
(KILL RELAY)
K1
+-
B+
CLOSES WITH
PRESSURE
SPARK PLUG SPARK PLUG
IGNITION
MODULES
AC
AC
MAG
REG
OIL
START
5
3
2
1
SOLINOID
SHIFT
STARTER
OIL
SWITCH
FUEL
SOLINIOD
(TEMP. SWITCH)
SWITCH OPEN WITH
HIGH TEMPERATURE
Y
BU
W
R
BK
BK
W
GN
(PARK SWITCH)
SW10
1
3
Y
OR
Y
SWITCH IS CLOSED
WHEN IN NEUTRAL
SWITCH IS OPEN
WHEN IN PARK
PK

Related product manuals