EasyManua.ls Logo

Toro 73551 - Wiring Diagram

Toro 73551
56 pages
Print Icon
To Next Page IconTo Next Page
To Next Page IconTo Next Page
To Previous Page IconTo Previous Page
To Previous Page IconTo Previous Page
Loading...
Maintenance
42
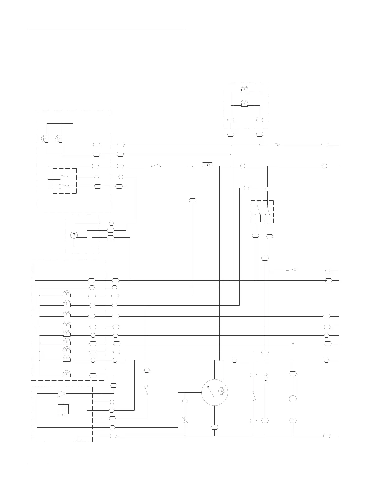
Wiring Diagram
FUEL
SENDER
ORBK
HEADLIGHT HARNESS
P
BK
P
W
OR
F4
10A
BK BK
GN
REAR HARNESS
CRUISE SWITCH
TAIL LIGHTS
OR
B
A
E
C
Y
D
BN
SW8
(MOMENTARY)
6
5
3
2
OR
GN
MAGNET
L2
VIO
BRAKE IS DEPRESSED
SWITCH OPENS WHEN
(CRUISE DISENGAGE SWITCH)
SW7
Y
BN
GN
BU
SW6
(PARK SWITCH)
LEVER IS ENGAGED
WHEN PARKING BRAKE
PARK SWITCH CLOSES
BK
CLUTCH
PTO
BK
METER
HOUR
+-
BK
P
BN
(PTO SWITCH)
SW3
8
7
4
5
2
1
IN OFF POSITION
PTO SWITCH IS SHOWN
BRAKE IS DEPRESSED
BRAKE SWITCH CLOSES WHEN
(BRAKE SWITCH)
SW2
BK
GY
BN
P
BK
VIO
W
OR
GY
BK
BN
Y
BK
A
E
P
F
B
A
C
CRUISE MODULE
95-3029
MOMENTARY 3 AND 2 CONNECTED 5 AND 6 CONNECTED
ON 3 AND 2 CONNECTED
OFF NO CONNECTION
CRUISE SWITCH OPERATION
K
J
D
GY
VIO
W
OR
WARNING LIGHT HARNESS
GLOW PLUGS
BATTERY
PTO
CRUISE
MOVED TO REVERSE
CLOSES WHEN HYDRO
REVERSE SWITCH
I
G
S
L
LAMP
#194
W
BK
(REVERSE SWITCH)
SW5
GAUGE
FUEL
W
1
FUEL
BN
H
B
G
BU
GN
Y
PARK
OIL
TEMP
C
T
REVERSE
T
BN
BU
GN
Y
T
P
GY
W
6
COMPARATOR
VOLTAGE
PN 94-7614
ELECTRONICS MODULE
4
1
3
2
5
OSCILLATOR
B+
BK
OR
P
Y
BK
OR
GY
GN
Y
P
BK
TRACTION LEVER IS

Related product manuals