EasyManua.ls Logo

Toro 74161 - Page 80

Toro 74161
113 pages
Print Icon
To Next Page IconTo Next Page
To Next Page IconTo Next Page
To Previous Page IconTo Previous Page
To Previous Page IconTo Previous Page
Loading...
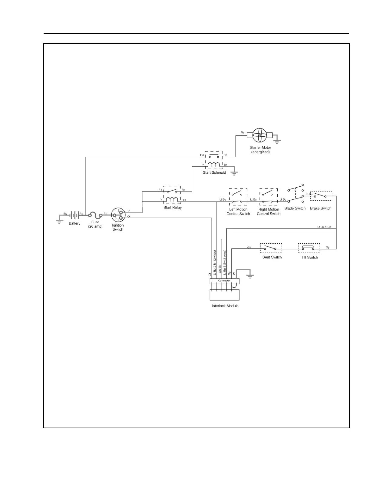
Mid-Mount Z Service Manual 7 - 5
ELECTRICAL SYSTEMS
Models
74211
74212
Start Circuit

Table of Contents

Related product manuals