EasyManua.ls Logo

Toro 74161 - Page 93

Toro 74161
113 pages
Print Icon
To Next Page IconTo Next Page
To Next Page IconTo Next Page
To Previous Page IconTo Previous Page
To Previous Page IconTo Previous Page
Loading...
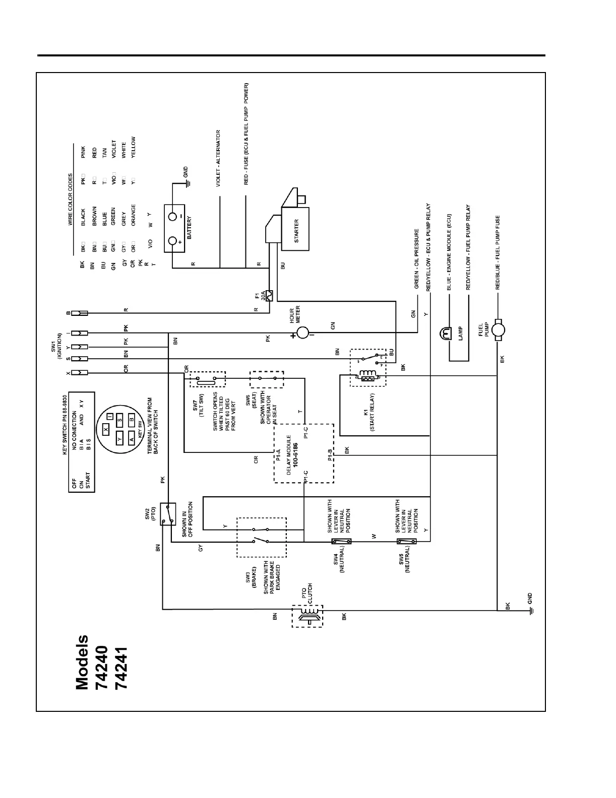
ELECTRICAL SYSTEMS
7 - 18 Mid-Mount Z Service Manual

Table of Contents

Related product manuals