EasyManua.ls Logo

Toro 74432 - Schematics

Toro 74432
52 pages
Print Icon
To Next Page IconTo Next Page
To Next Page IconTo Next Page
To Previous Page IconTo Previous Page
To Previous Page IconTo Previous Page
Loading...
Schematics
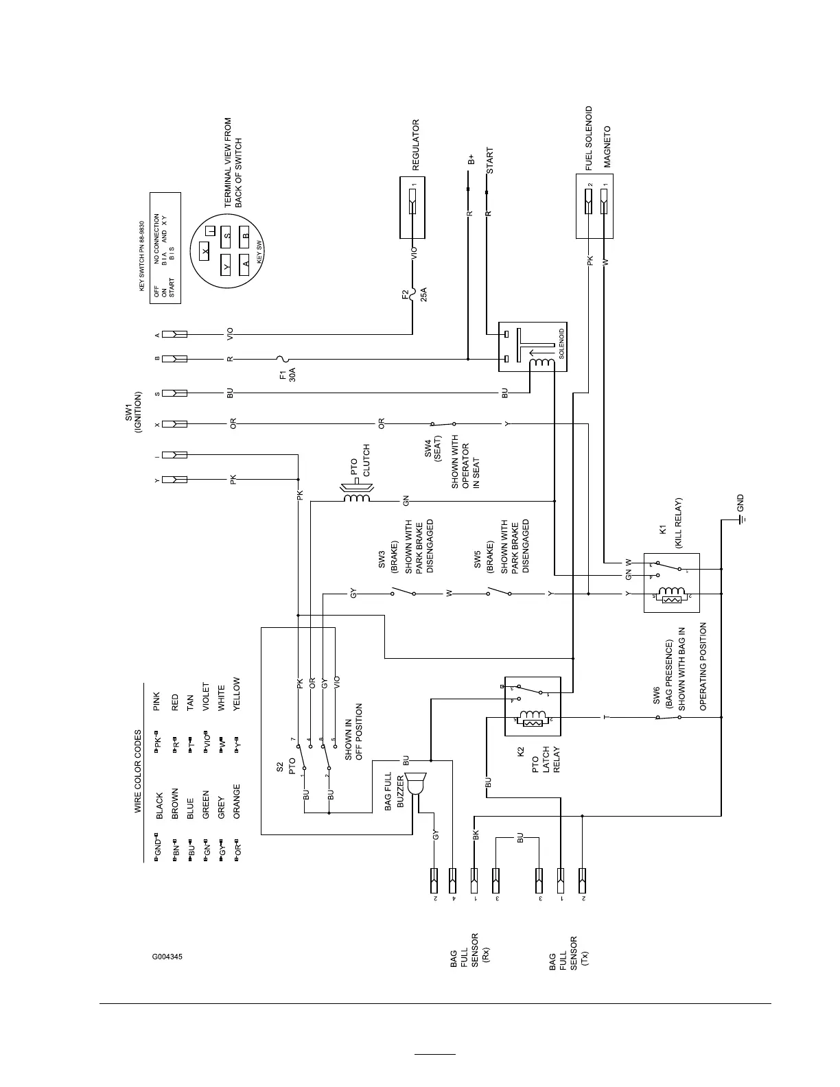
Electrical Diagram (Rev. A)
49

Table of Contents

Related product manuals