EasyManua.ls Logo

Toro 74641 - Schematics

Toro 74641
52 pages
Print Icon
To Next Page IconTo Next Page
To Next Page IconTo Next Page
To Previous Page IconTo Previous Page
To Previous Page IconTo Previous Page
Loading...
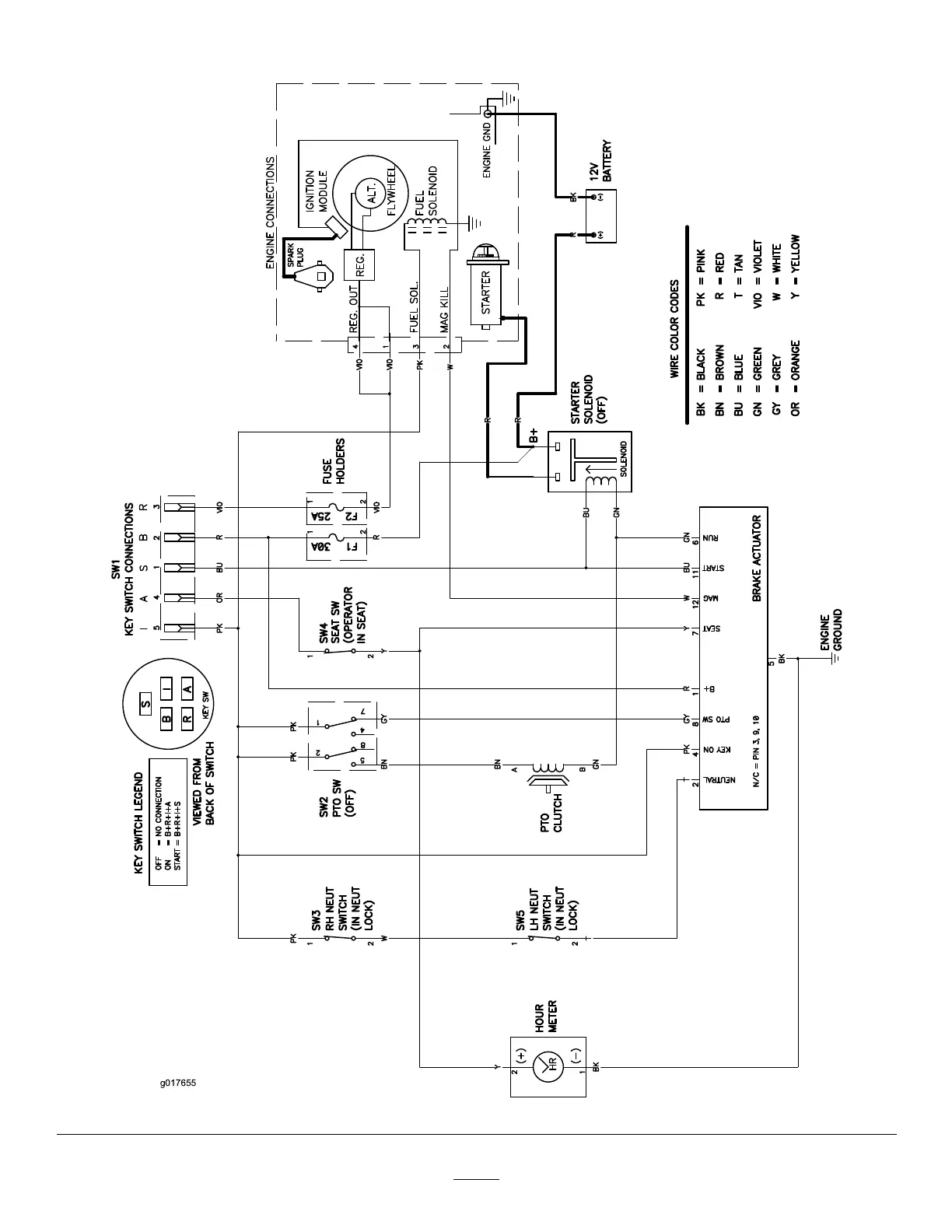
Schematics
g017655
ElectricalDiagram(Rev.A)
48

Related product manuals