EasyManua.ls Logo

Toro 74775 - Schematics

Toro 74775
60 pages
Print Icon
To Previous Page IconTo Previous Page
To Previous Page IconTo Previous Page
Loading...
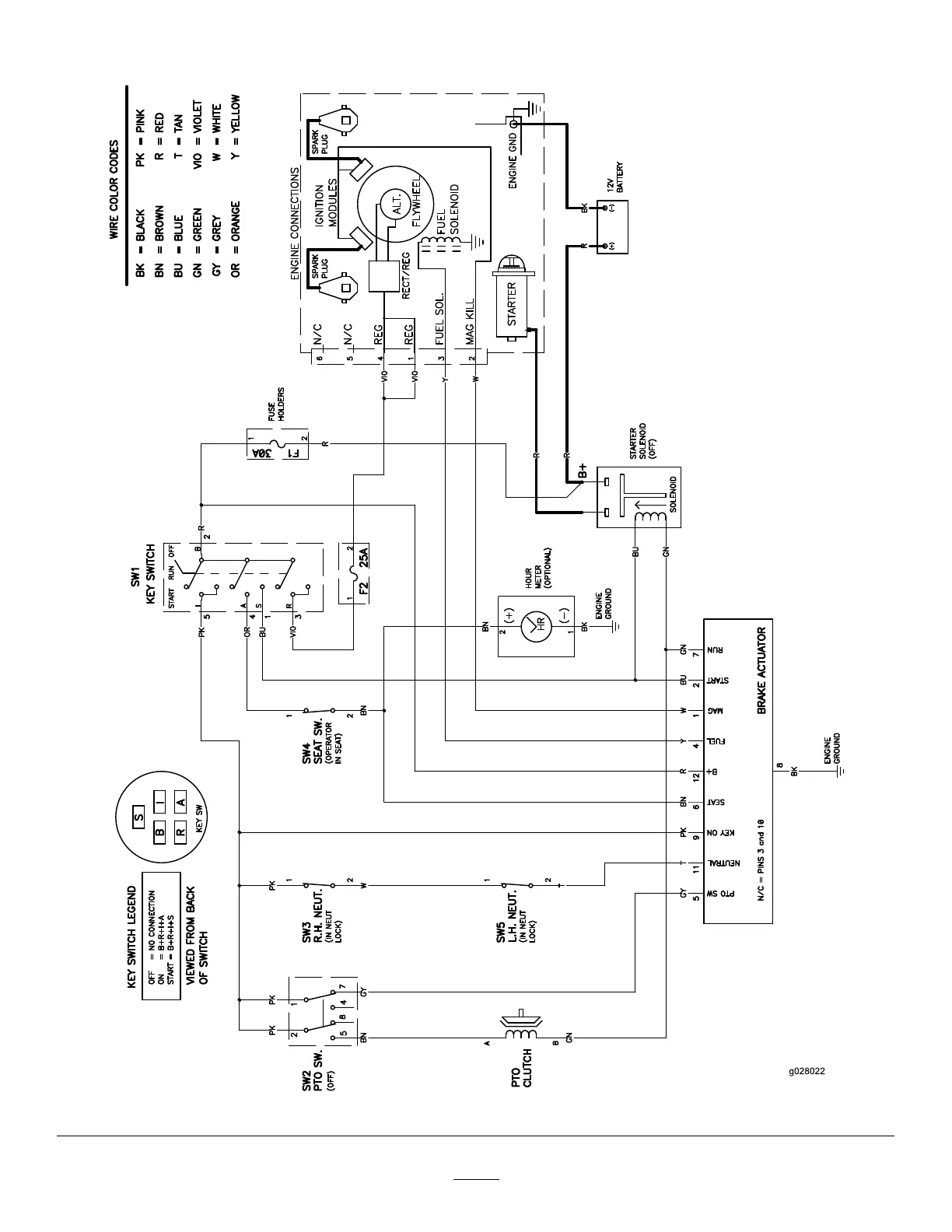
Schematics
g028022
ElectricalDiagram(Rev.A)
60

Table of Contents

Related product manuals