EasyManua.ls Logo

Total TP18001 - Page 25

Total TP18001
28 pages
Print Icon
To Next Page IconTo Next Page
To Next Page IconTo Next Page
To Previous Page IconTo Previous Page
To Previous Page IconTo Previous Page
Loading...
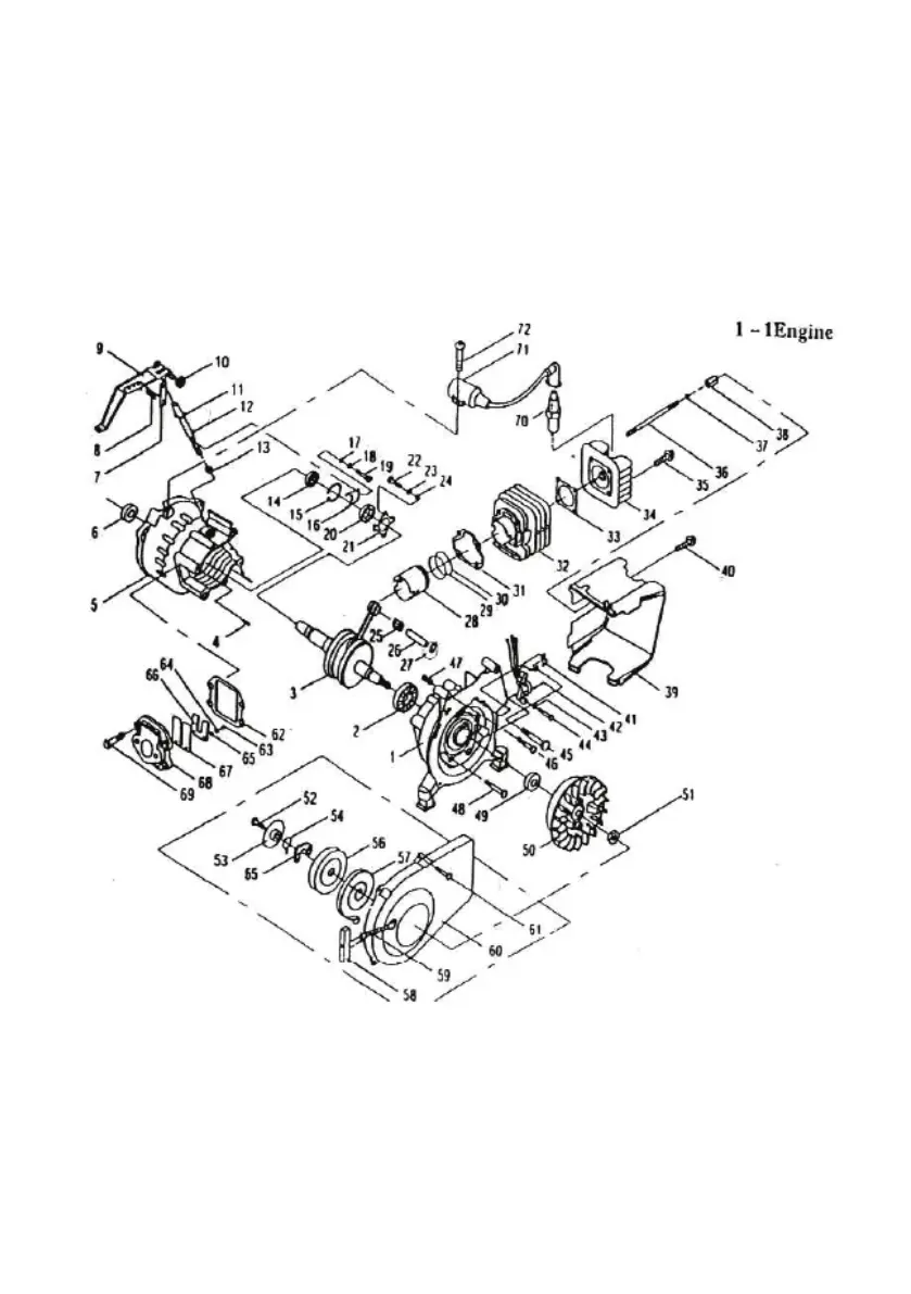
TP18001,TP18001-5,UTP18001 Exploding view - Engine
25

Related product manuals