EasyManua.ls Logo

Toua GSN40 - Exploded Drawing and Parts List

Default Icon
24 pages
Print Icon
To Next Page IconTo Next Page
To Next Page IconTo Next Page
To Previous Page IconTo Previous Page
To Previous Page IconTo Previous Page
Loading...
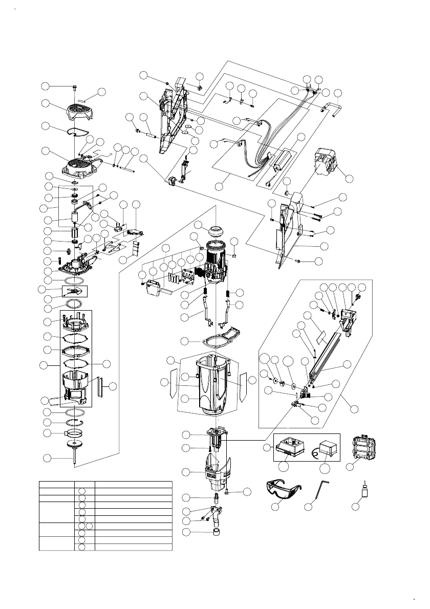
EXPLODED DRAWING AND PARTS LIST
GAS CONCRETE NAILER
MODEL: GSN40 GSN40A
501
501-1
505504503
502
501-2
1
2
3
4
5
6
7
8
9
10
11
12
13
15
113
22
26
27
28
29
30
31
32
33
34
35
36
37
38
39
40
42
43
44
41
46
47
48
49
50
51
52
55
53
54
56
64
68
70
74
75
76
78
79
80
85
7
23
23
24
39
66
20
67
41
1
A
B
A
B
76
81
82
25
21
58
59
60
65
71
87
86
84
1
88
69
86
108
76
96
89909192
95
94
93
104
105
107
106
45
97
98
100
103
101-1
102
94
49
83
109
22
110
61
63
62
11.2   
Torsion(Nm)
15  
No.
87  
1.82   
86  
3.54   
1  
41  
5.56   
11  
59  
45  
97  
Note
Note: screw torque and description
Thread glue (loctite 277) 
 
33.5   
57
111
111
101-2
73
73
112
20
114
115
14
17
16
16
116
72
Thread glue (loctite 277) 
 
Thread glue (loctite 272) 
 
Thread glue (loctite 277) 
 
Thread glue (loctite 272) 
 
18
117
118