EasyManua.ls Logo

Trackunit TU600-25 - Installation of the Digital Output

Default Icon
38 pages
Print Icon
To Next Page IconTo Next Page
To Next Page IconTo Next Page
To Previous Page IconTo Previous Page
To Previous Page IconTo Previous Page
Loading...
TU600B
Trackunit TU600B, Technical Manual v1.0, March 2022 Page 21
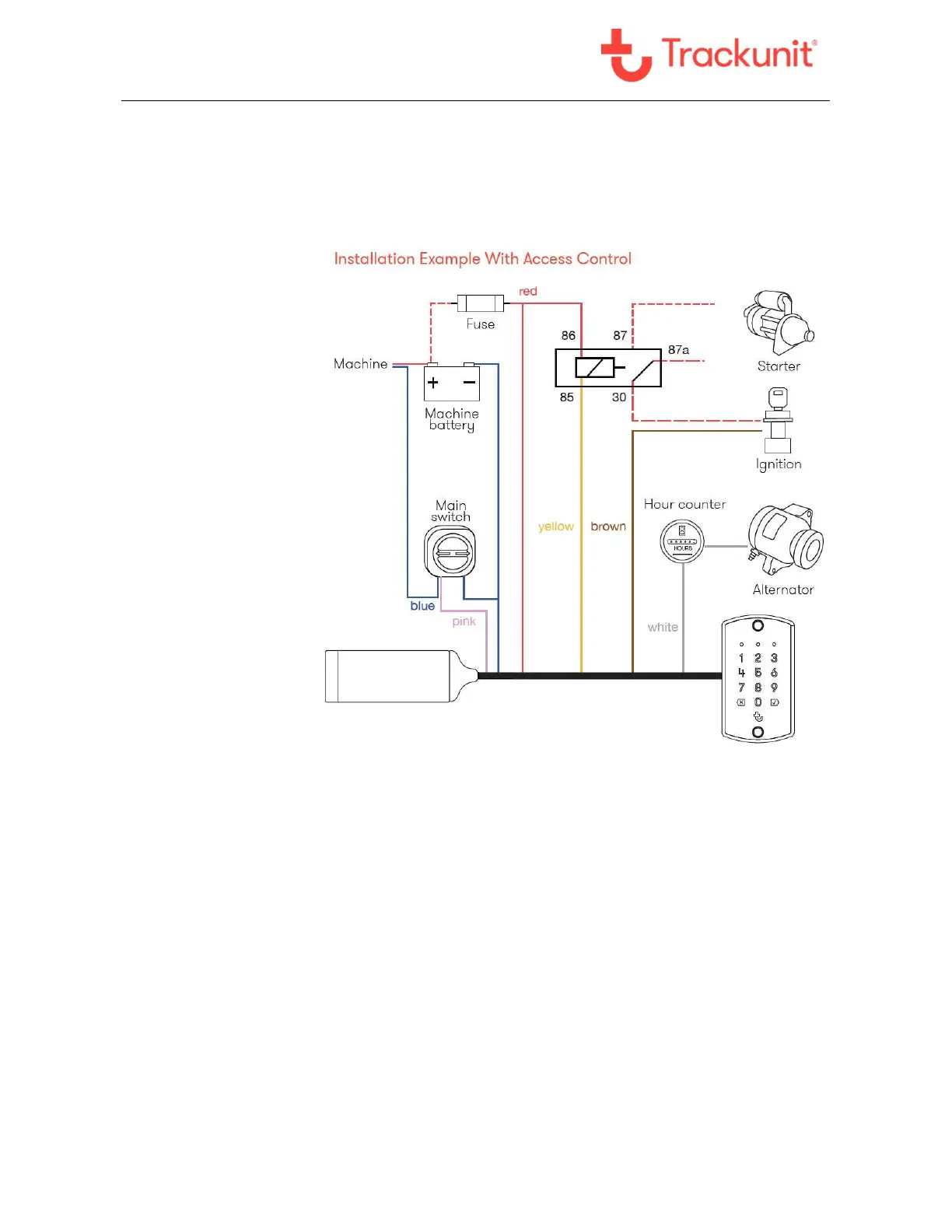
Installation of the digital output
According to the E1 certificate of the TU600B unit, it is prohibited under any circumstances to use
this output to control any equipment that may influence the safety of the construction machinery
and earth moving machines/vehicle operation and driving. The output must only be used to control
comfort equipment.
The example shows a
12V relay function with a
12V DC supply voltage. It
is also possible to use a
24V relay with a 24V DC
supply voltage etc. The
current consumption of
the relay must not exceed
200 mA (DC current) and
the relay contacts must
be specified to withstand
the load that needs to be
controlled.
NOTE: The output can only handle DC and not AC voltage. It is necessary to only use a DC
power supply for the relay.
Important! The power supply connected to the TU600B (GSM/LTE M1/NB IoT)/GPS unit
and the supply voltage for the relay mounted on the digital output must have a
common ground connection.
One application example for the “Usable contact function controlled by the TU600B” signals shown
in the figure above could be a “Start Relay”, blocking function, for preventing unauthorized use of
the moving machinery and construction machine or vehicle outside normal working hours etc.