EasyManua.ls Logo

Trane 4TCA4024A1000A - Page 15

Trane 4TCA4024A1000A
24 pages
Print Icon
To Next Page IconTo Next Page
To Next Page IconTo Next Page
To Previous Page IconTo Previous Page
To Previous Page IconTo Previous Page
Loading...
88-4TCA4001-1C-EN
15
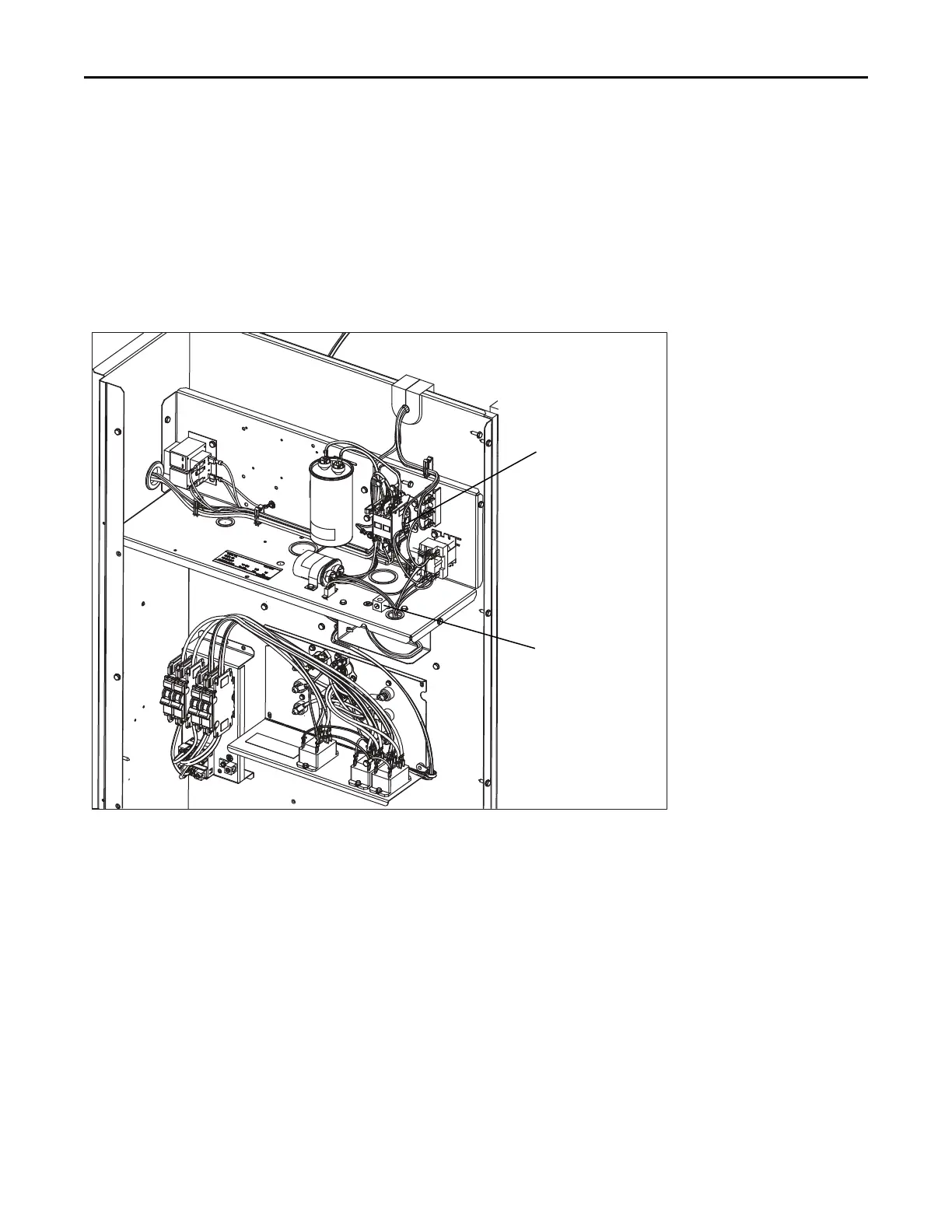
PPoowweerr WWiirriinngg
The power supply lines must be run in weather-tight
conduit to the disconnect and into the side of the unit
control box. Provide strain relief for all conduit with
suitable connectors.
Provide flexible conduit supports whenever vibration
transmission may cause a noise problem within the
building structure.
1. Remove the Control/Heat access panel. Pass the
power wires through the Power Entry hole in the
end of the unit.
2. Connect the high voltage wires to the appropriate
contactor terminals. Single phase units use a two
(2) pole contactor and three phase units use three
(3) pole contactor. Connect the ground to the
ground lug on the chassis.
Ensure all connections are tight.
Table 5. Power Connections
Unit Ground Lug
Contactor
SStteepp 44 UUnniitt IInnssttaallllaattiioonn

Related product manuals