EasyManua.ls Logo

Trane 4TXK6548G1000AA - 4.6 4 MXD6560 G1000 AA Wiring Diagram

Trane 4TXK6548G1000AA
187 pages
Print Icon
To Next Page IconTo Next Page
To Next Page IconTo Next Page
To Previous Page IconTo Previous Page
To Previous Page IconTo Previous Page
Loading...
SW1
-
1
SW1
-
2
SW1
-
3
Type
SW1
-
7
SW1
-
8
Type
SW1-4
_______
ON
Room card available
OFF
ON
ON
/
OFF
OFF
Cassette
Room card unavailable
ON ON
ON
/
ON
ON
Convertible
SW1-5
ON
Cool only
OFF
Heat pump
ON ON
OFF
/
ON
OFF
Duct
SW1-6
ON
With temperature compensate
ON
ON
OFF
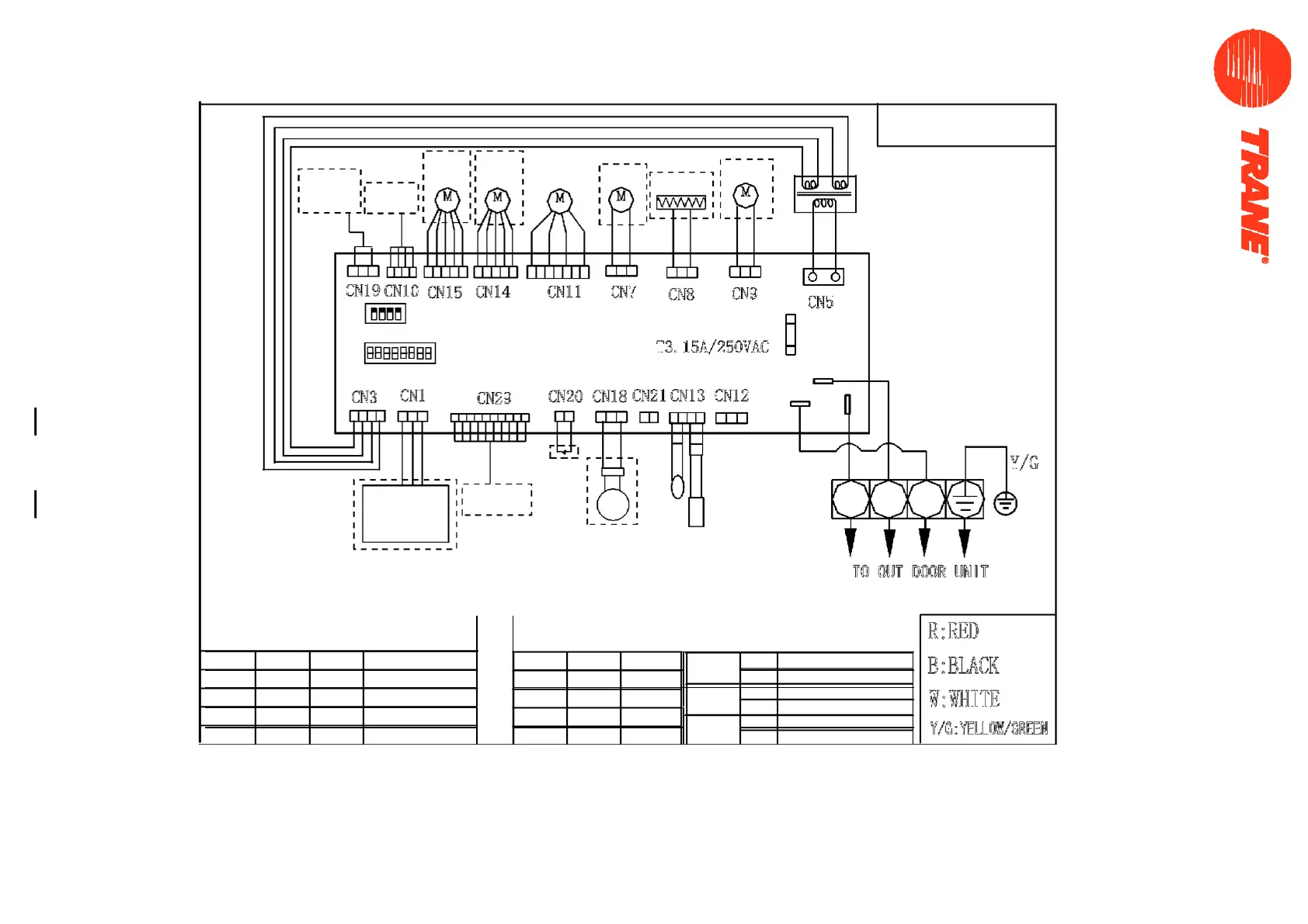
4MXD6560G1000AA
OFF
ON
Floor standing
OFF
Without temperature compensate
36
4.6 4MXD6560G1000AA
TO OUT DOOR UNIT
REMOTE
CENTRAL PANNEL
OFF
OFF
ON
ON
CN19CN10 CN15 CN14
CN3
CN1
CN29
CN20 CN18 CN21 CN13 CN12
4321
87654321
Wired
Remote
Controller
SW2
UP/
DOWN
SW1
REMOTE
RECEIVER
LEFT/
RIGHT
CN11 CN7 CN8 CN9
FAN SWING
PUMP
HEATER
RC
FLOAT
SWITCH
TEMP.
SENSOR
ROOM
T3.15A/250VAC
SENSOR
PIPING TEMP.
FUSE
CH5
CN5
CH3
CH4
W
1 2 3
TR
B
0150538196
R
Y/G
B:BLACK
R:RED
W:WHITE
Y/G:YELLOW/GREEN

Related product manuals