EasyManua.ls Logo

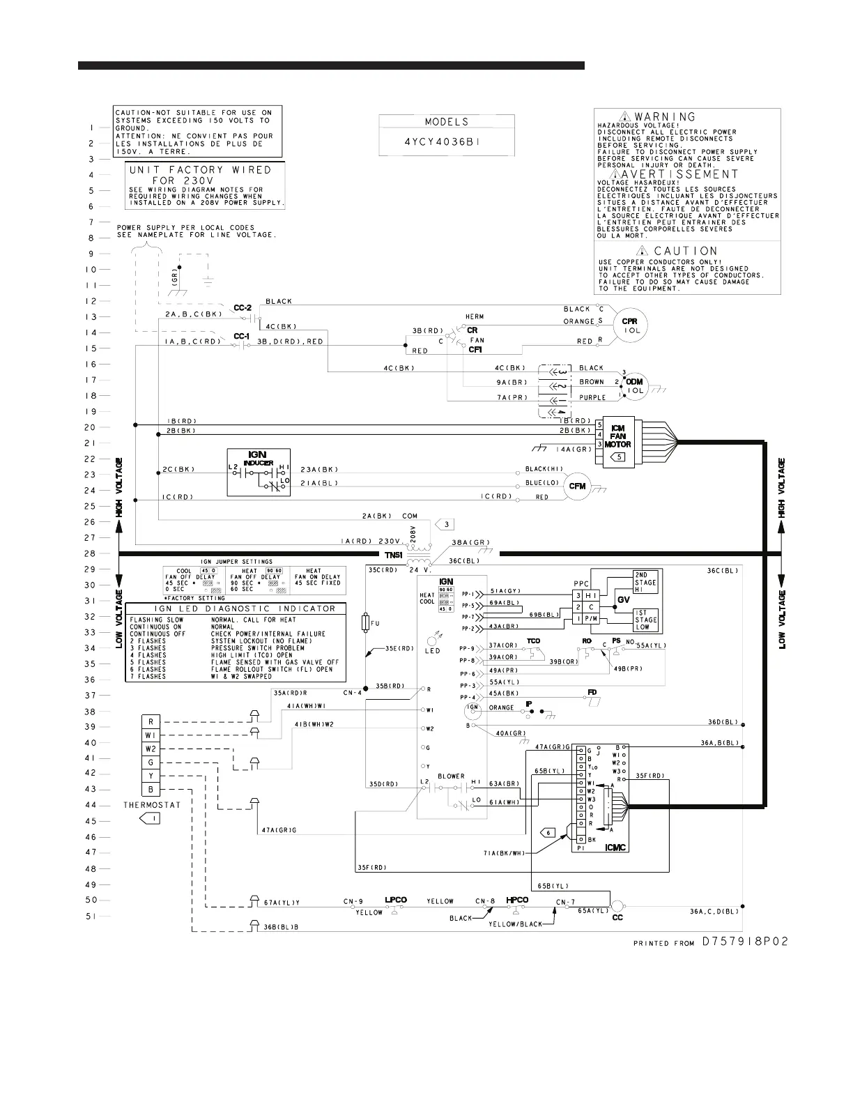
Trane 4YCY4036B1075 - Wiring Diagrams and Safety; High Voltage and Low Voltage Wiring Diagram

Trane 4YCY4036B1075
12 pages
Print Icon
To Next Page IconTo Next Page
To Next Page IconTo Next Page
To Previous Page IconTo Previous Page
To Previous Page IconTo Previous Page
Loading...
5
Service Facts
IMPORTANT: Retain this wiring diagram; please return this document to service information pack upon completion of work.

Related product manuals