EasyManua.ls Logo

Trane GGAA - Page 19

Trane GGAA
60 pages
Print Icon
To Next Page IconTo Next Page
To Next Page IconTo Next Page
To Previous Page IconTo Previous Page
To Previous Page IconTo Previous Page
Loading...
MUA-SVX005B-EN
19
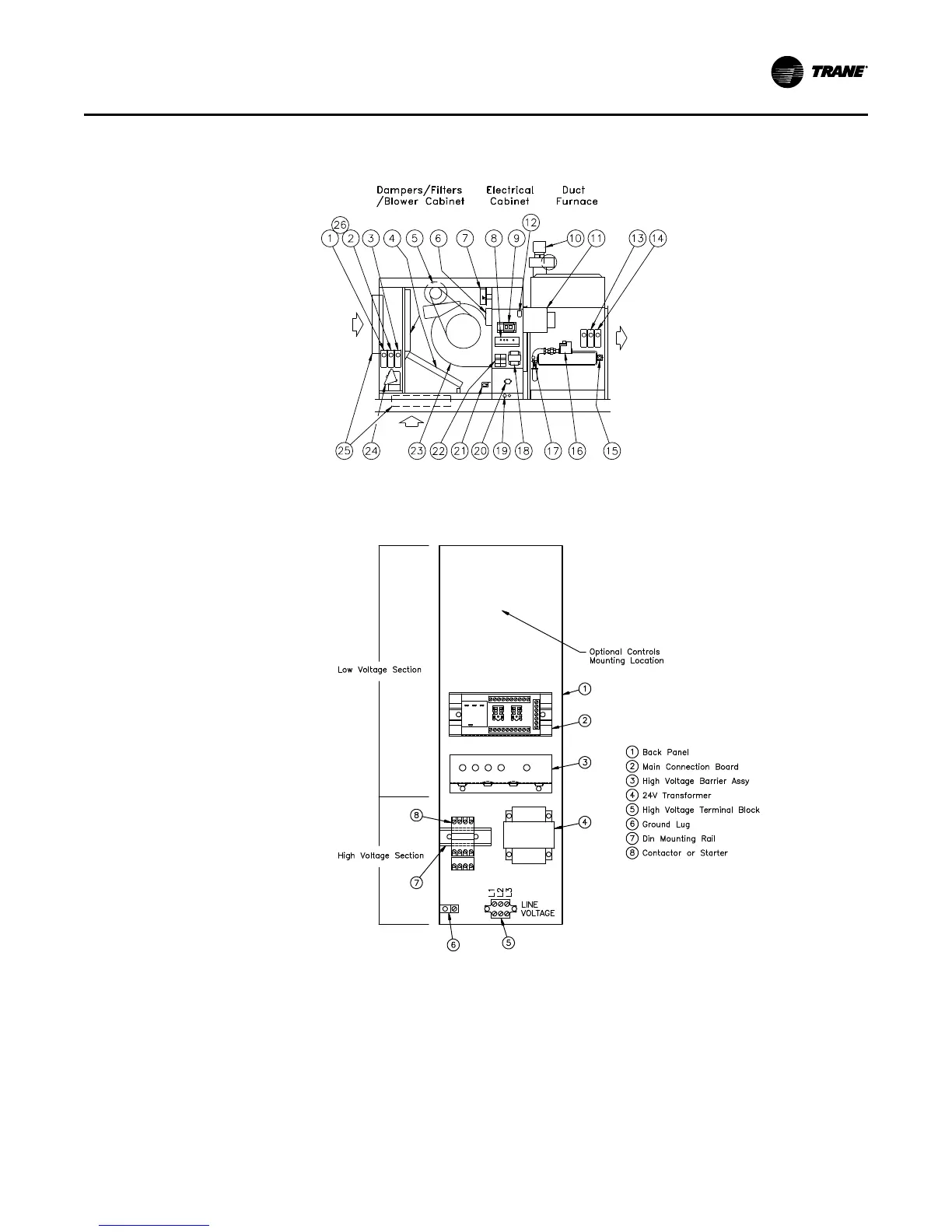
Figure 6. Make-Up Air Unit-Standard Blower Cabinet, Single Duct Furnace with Various
Options Shown
1. Mixed Air Controller
2. Return Firestat
3. Economizer
4. Filters
5. Blower Motor
6. Reverse Air Flow Switch
7. Clogged Filter Switch
8. High Voltage Barrier, Lamp
and Circuit Breaker Mount
9. Main Connection Board
with Fan Time Delay
and Function Relays
10. Power Venter Motor Assembly
(includes Relay and
Air Pressure Switch)
11. Junction Box/Ignitor
12. Time Delay Freezestat
13. Supply Firestat
14. Duct Thermostat
15. Primary Safety Limit
16. Gas Valve
17. High Limit Safety Switch
18. Transformer
19. Electrical Wiring Inlet
20. High Voltage Terminal Block
21. Door Safety Switch
22. Contactor
23. Centrifugal Blower
24. Damper Motor
25. Outside and Return Dampers
26. Ambient Lockout
Figure 7. Electrical Cabinet
IInnssttaallllaattiioonn

Table of Contents