EasyManua.ls Logo

Trane MCCA 30 2B - Wiring Diagram R32; MCCE 12-18 2 B5; MCCE 18 2 B; MCCE 24 2 B5; MCCE 24 2 B

Trane MCCA 30 2B
32 pages
To Next Page IconTo Next Page
To Next Page IconTo Next Page
To Previous Page IconTo Previous Page
To Previous Page IconTo Previous Page
Loading...
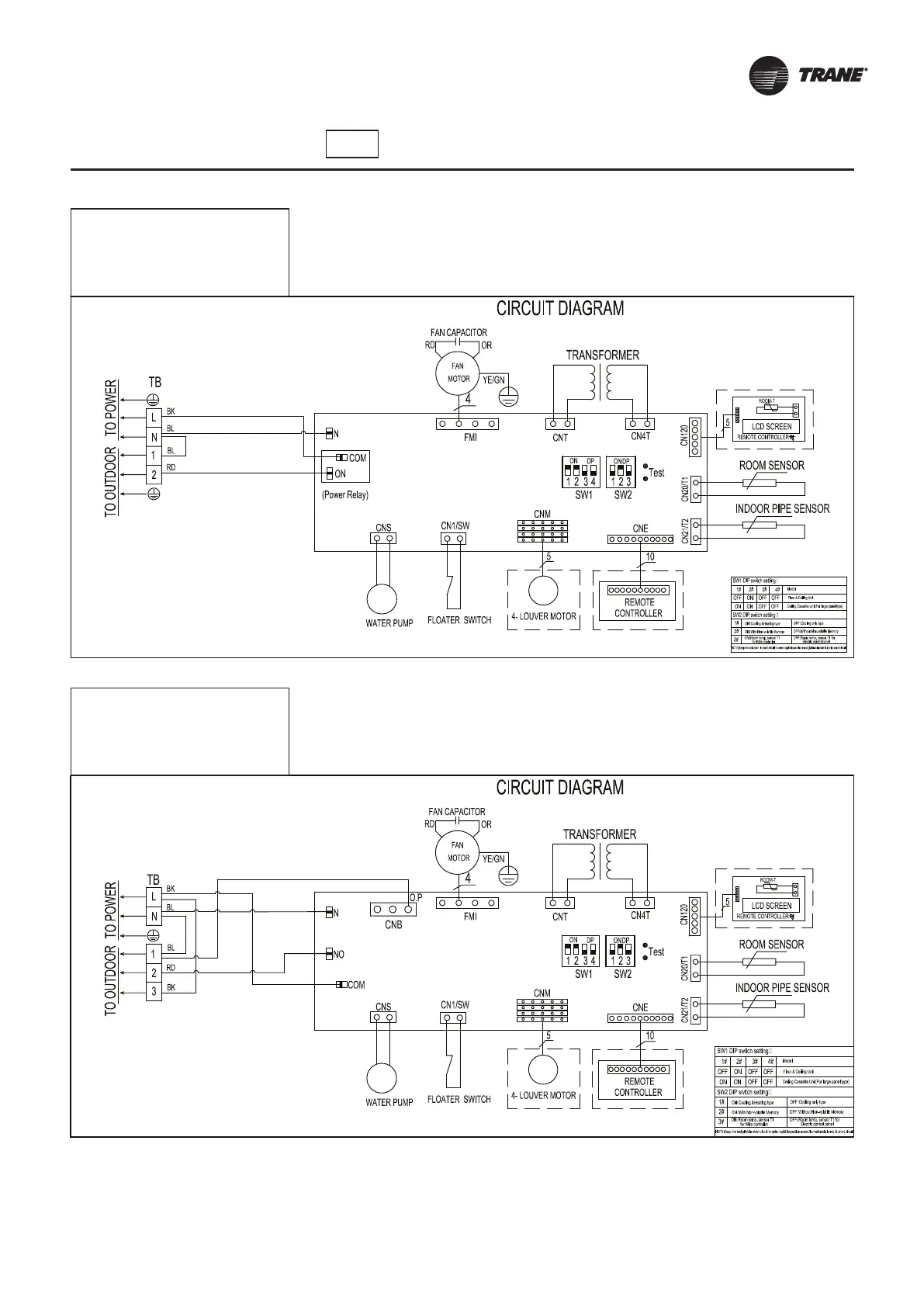
MCC-SVN01A 13
Wiring Diagram
220-240/1/50Hz
MCCE 12-18 2B5
MCCE 18 2B
220-240/1/50Hz
MCCE 24 2B5
MCCE 24 2B
R32
www.ttair.co.th | Tel : 02-385-0728 | E-mail : sales@ttair.co.th | LINE ID : @ttair

Related product manuals