EasyManua.ls Logo

Trane R-22

Trane R-22
28 pages
To Next Page IconTo Next Page
To Next Page IconTo Next Page
To Previous Page IconTo Previous Page
To Previous Page IconTo Previous Page
Loading...
MS-SVN21A-EN
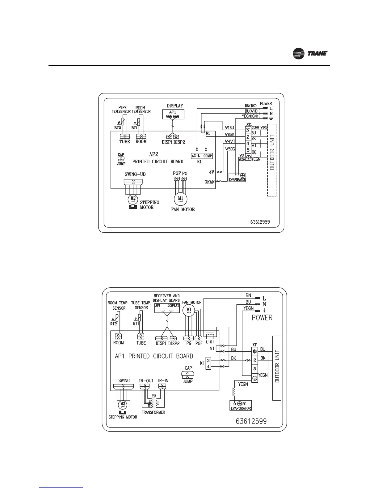
Figure 4. 2MWW0512G9 (Heat pump indoor units)
Figure 5. 2MCW0518G1 (Cooling only indoor units)
18

Other manuals for Trane R-22

Related product manuals