EasyManua.ls Logo

Trane R-22

Trane R-22
28 pages
To Next Page IconTo Next Page
To Next Page IconTo Next Page
To Previous Page IconTo Previous Page
To Previous Page IconTo Previous Page
Loading...
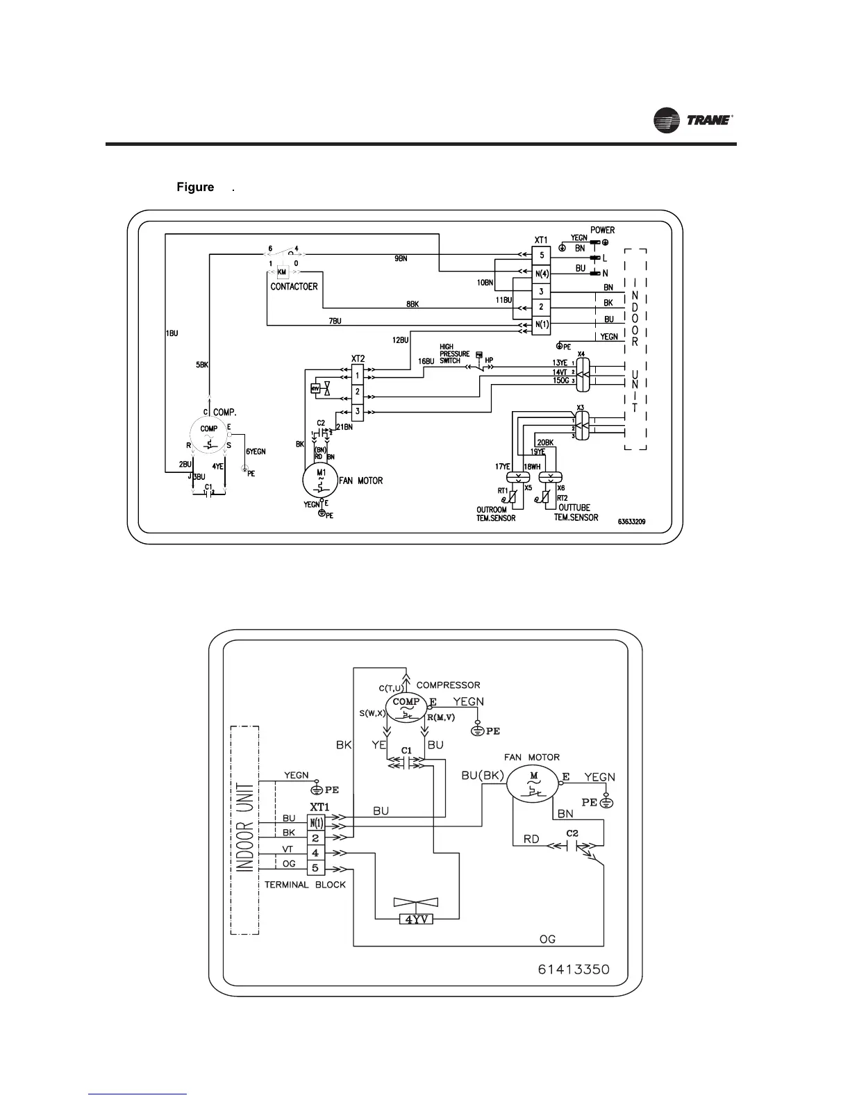
20 2TWK0530G1 2TWK0530GB (Heat pump Outdoor unit)
MS-SVN21A-EN
Figure 21. 2TWK0509GB (Heat pump outdoor units)
26

Other manuals for Trane R-22

Related product manuals