EasyManua.ls Logo

Trane TDX080R942V - Electrical Data

Trane TDX080R942V
16 pages
Print Icon
To Next Page IconTo Next Page
To Next Page IconTo Next Page
To Previous Page IconTo Previous Page
To Previous Page IconTo Previous Page
Loading...
22-1706-01-0400 (EN) 9
Electrical
Data
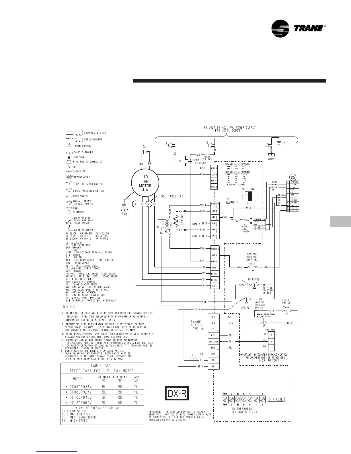
SCHEMATIC DIAGRAMS FOR GAS FURNACES
LEGEND
From Dwg. 21D341250 P02
TDX060,080,100,120R-V

Related product manuals