EasyManua.ls Logo

Trane TR150 - Page 16

Trane TR150
51 pages
Print Icon
To Next Page IconTo Next Page
To Next Page IconTo Next Page
To Previous Page IconTo Previous Page
To Previous Page IconTo Previous Page
Loading...
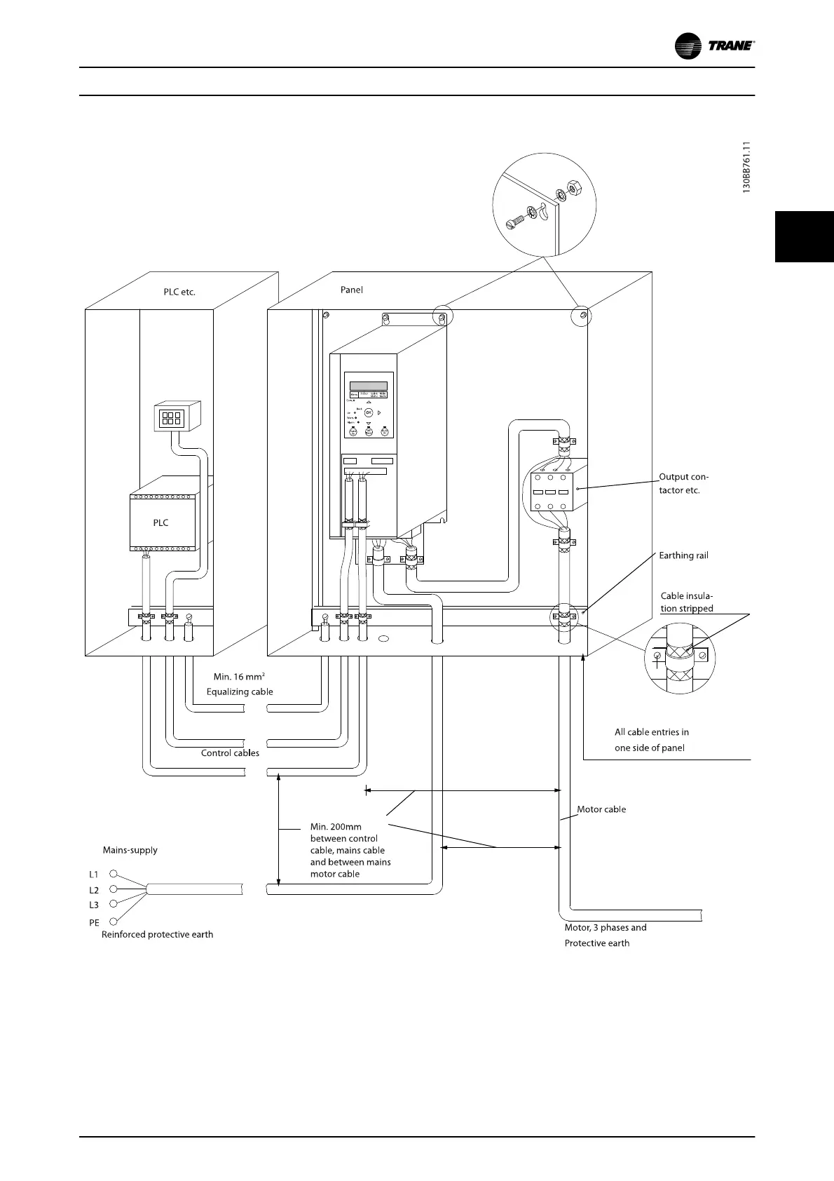
Illustration 3.12 EMC-correct Electrical Installation
Installation TR150 and TR170 Quick Guide
BAS-SVX58D-EN
08/2020 All rights reserved.
15
3
3

Other manuals for Trane TR150

Related product manuals