EasyManua.ls Logo

Trane VariTrane VCCF - Page 51

Trane VariTrane VCCF
64 pages
To Next Page IconTo Next Page
To Next Page IconTo Next Page
To Previous Page IconTo Previous Page
To Previous Page IconTo Previous Page
Loading...
VAV-SVX08R-EN
51
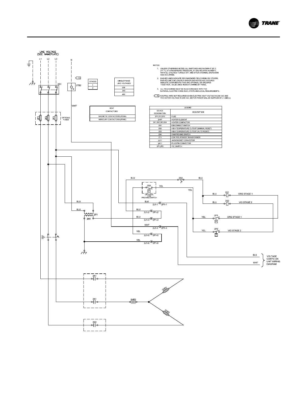
Figure 38. Fan powered, three phase, wye, 2 stages
WWiirriinngg DDiiaaggrraammss

Related product manuals