EasyManua.ls Logo

Trane VariTrane VSEF - Electric Heater Control Box Wiring

Trane VariTrane VSEF
64 pages
To Next Page IconTo Next Page
To Next Page IconTo Next Page
To Previous Page IconTo Previous Page
To Previous Page IconTo Previous Page
Loading...
VAV-SVX08R-EN
39
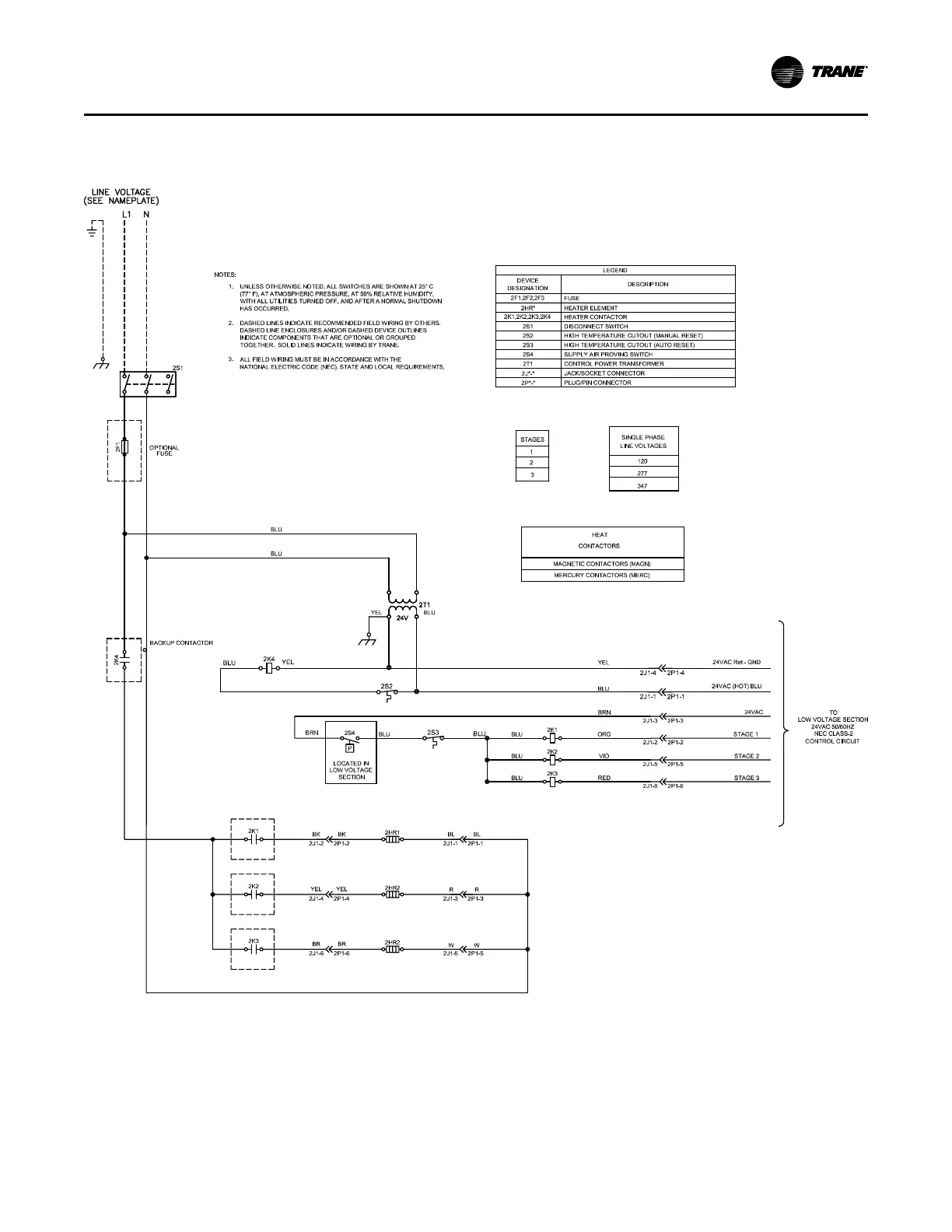
Wiring Electric Heater Control Box
Figure 26. Single duct , single phase, 1 leg, 3 stages
WWiirriinngg DDiiaaggrraammss

Related product manuals