EasyManua.ls Logo

Trane VariTrane VSEF - Page 59

Trane VariTrane VSEF
64 pages
To Next Page IconTo Next Page
To Next Page IconTo Next Page
To Previous Page IconTo Previous Page
To Previous Page IconTo Previous Page
Loading...
VAV-SVX08R-EN
59
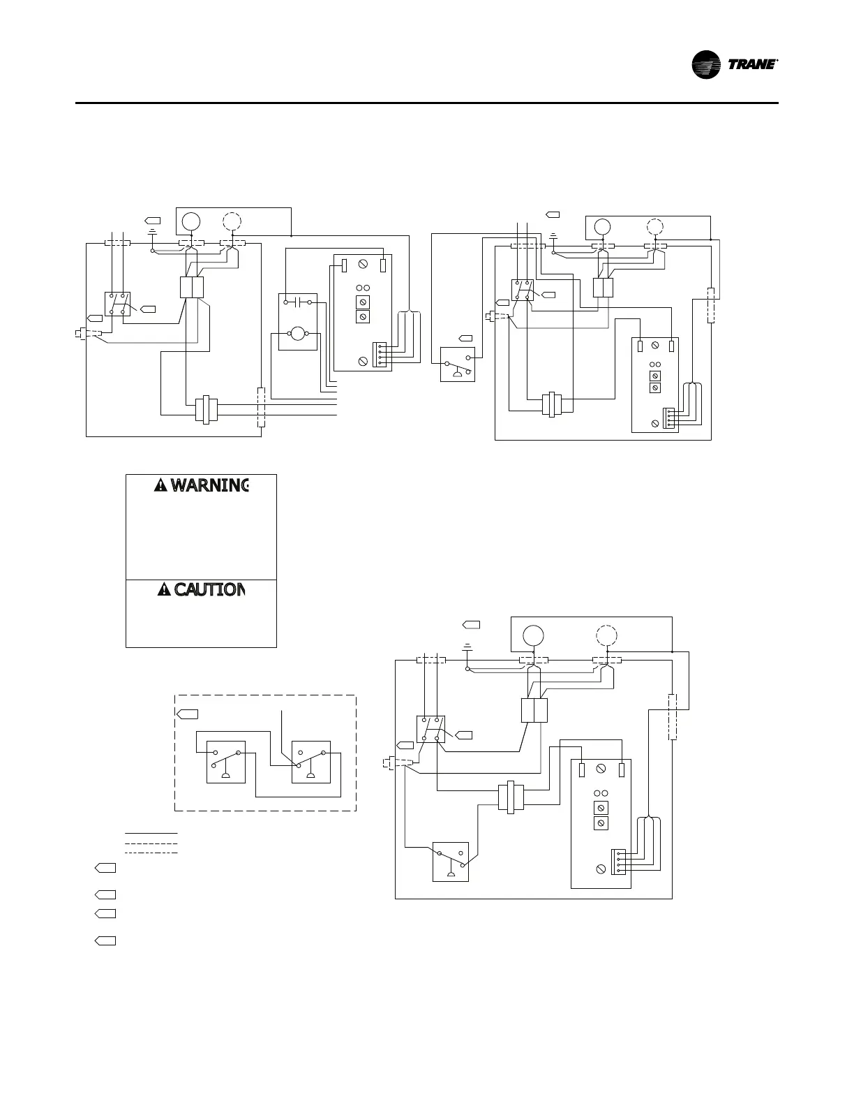
Figure 46. Fan-powered, low-height incl 10SQ, ECM, old style
WWiirriinngg DDiiaaggrraammss

Related product manuals