EasyManua.ls Logo

Transcend CompactFlash 400X - Page 29

Transcend CompactFlash 400X
88 pages
Print Icon
To Next Page IconTo Next Page
To Next Page IconTo Next Page
To Previous Page IconTo Previous Page
To Previous Page IconTo Previous Page
Loading...
T
T
T
S
S
S
1
1
1
6
6
6
G
G
G
~
~
~
6
6
6
4
4
4
G
G
G
C
C
C
F
F
F
4
4
4
0
0
0
0
0
0
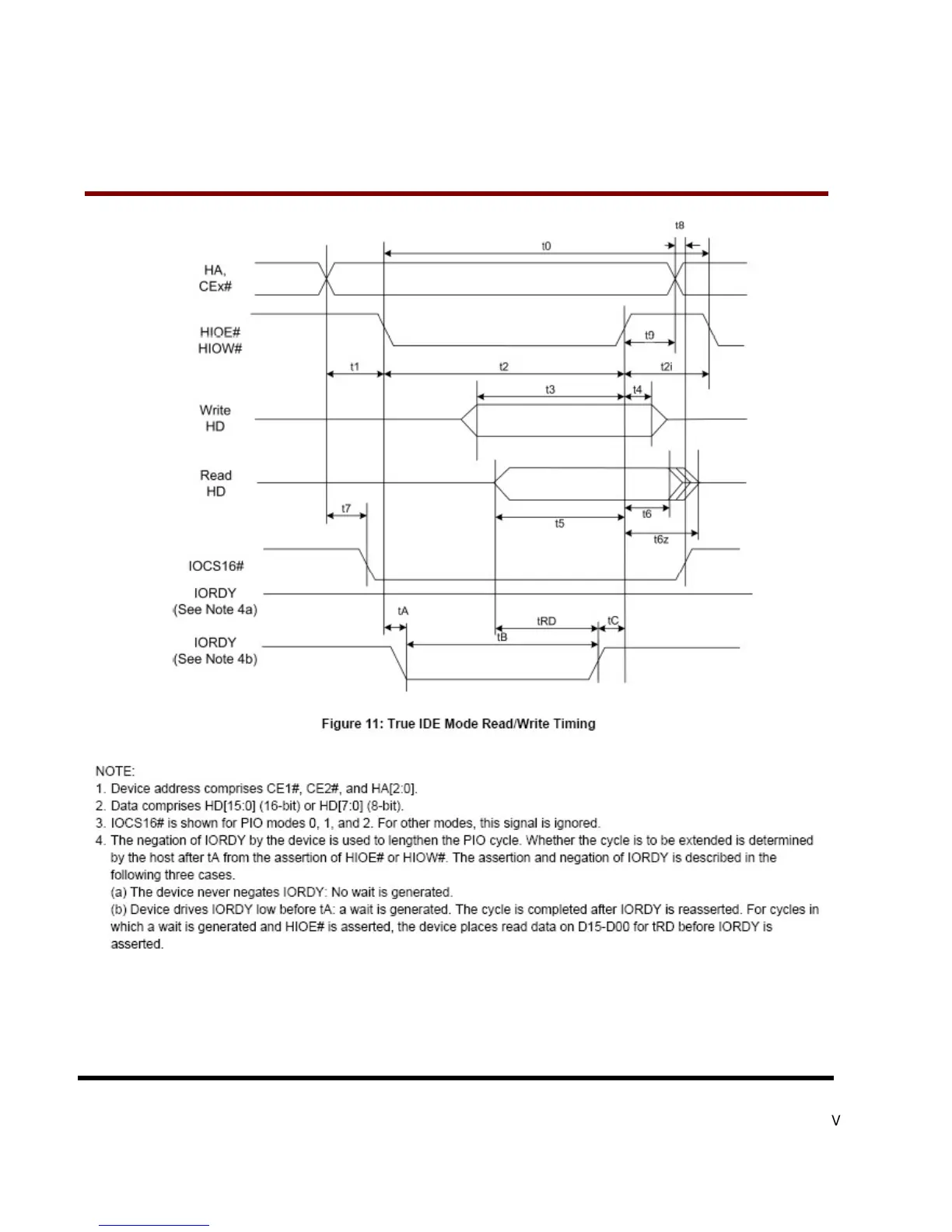
400X CompactFlash Card
Transcend Information Inc.
V1.0
29

Related product manuals