EasyManua.ls Logo

Traynor YS1003 - Page 16

Traynor YS1003
18 pages
Print Icon
To Next Page IconTo Next Page
To Next Page IconTo Next Page
To Previous Page IconTo Previous Page
To Previous Page IconTo Previous Page
Loading...
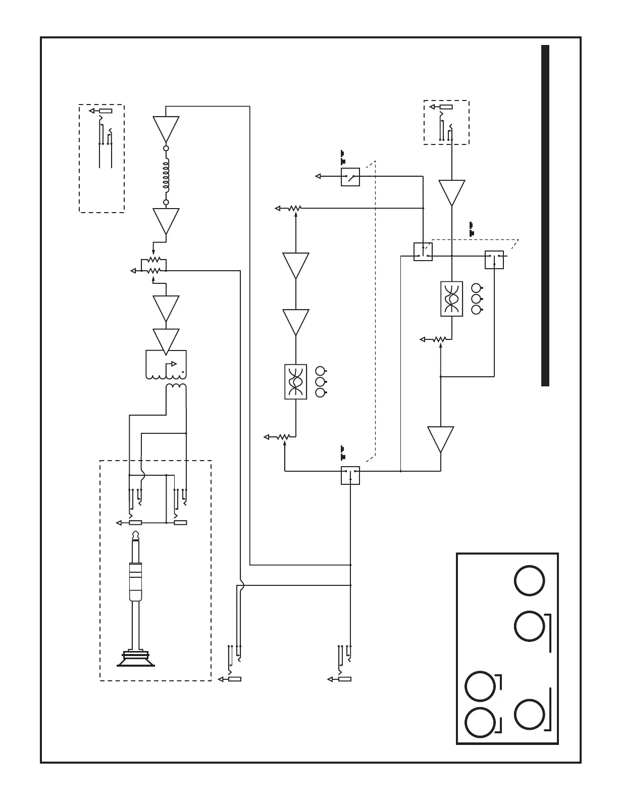
POWER
EL34
V4
EL34
V5
PREAMP
SPLITTER
12AX7
V3
12AX7
V2
12AX7
V1
DÉBRANCHÉ L’APPAREIL AVANT
DE REMPLACER LES LAMPES
DISCONNECT POWER WHEN
REPLACING TUBES
Block Diagram for YCV50B
DESIGNED AND MANUFACTURED BY YORKVILLE SOUND
+
-
+
-
Mono
1/4-inch
Input
Footswitch
Channel Select
Boost
Preamp
Channel
Select
Boost
V1:A
Preamp
V2:B
0 dB
Preamp
V2:A
Splitter
U2
B
U1
B
Reverb
Drive
Ch. 1
Volume
Ch. 2
Volume
K1
Channel
Select
K1
Reverb
Rtn
Master
Volume
Power
Amp
Reverb
Accutronics ©
4EBC1B
V3
Preamp
V1:B
V4
V5
External
Speaker Out
External
Speaker Out
12-inch Speaker
YS#7081
8-ohms
Pre-Amp
Out
Amp In
Treble/Bass/Mid
EQ
Treble/Bass/Mid
EQ
BLOCK-DIAG-ycv50B-00-2v0
MODEL TYPE: YS1003

Related product manuals