EasyManua.ls Logo

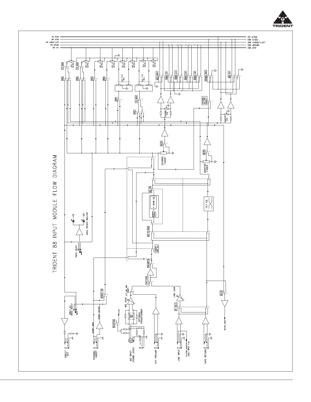
Trident 88 - Flow Diagrams; Input Module Flow Diagram

Trident 88
40 pages
Print Icon
To Next Page IconTo Next Page
To Next Page IconTo Next Page
To Previous Page IconTo Previous Page
To Previous Page IconTo Previous Page
Loading...
Trident 88 Owners Manual 29
Trident 88 Input Module Flow Diagram

Related product manuals