EasyManua.ls Logo

Triumph TR6 1969 - 70 - 71 TR6 Wiring Diagrams

Triumph TR6 1969
9 pages
Print Icon
To Next Page IconTo Next Page
To Next Page IconTo Next Page
To Previous Page IconTo Previous Page
To Previous Page IconTo Previous Page
Loading...
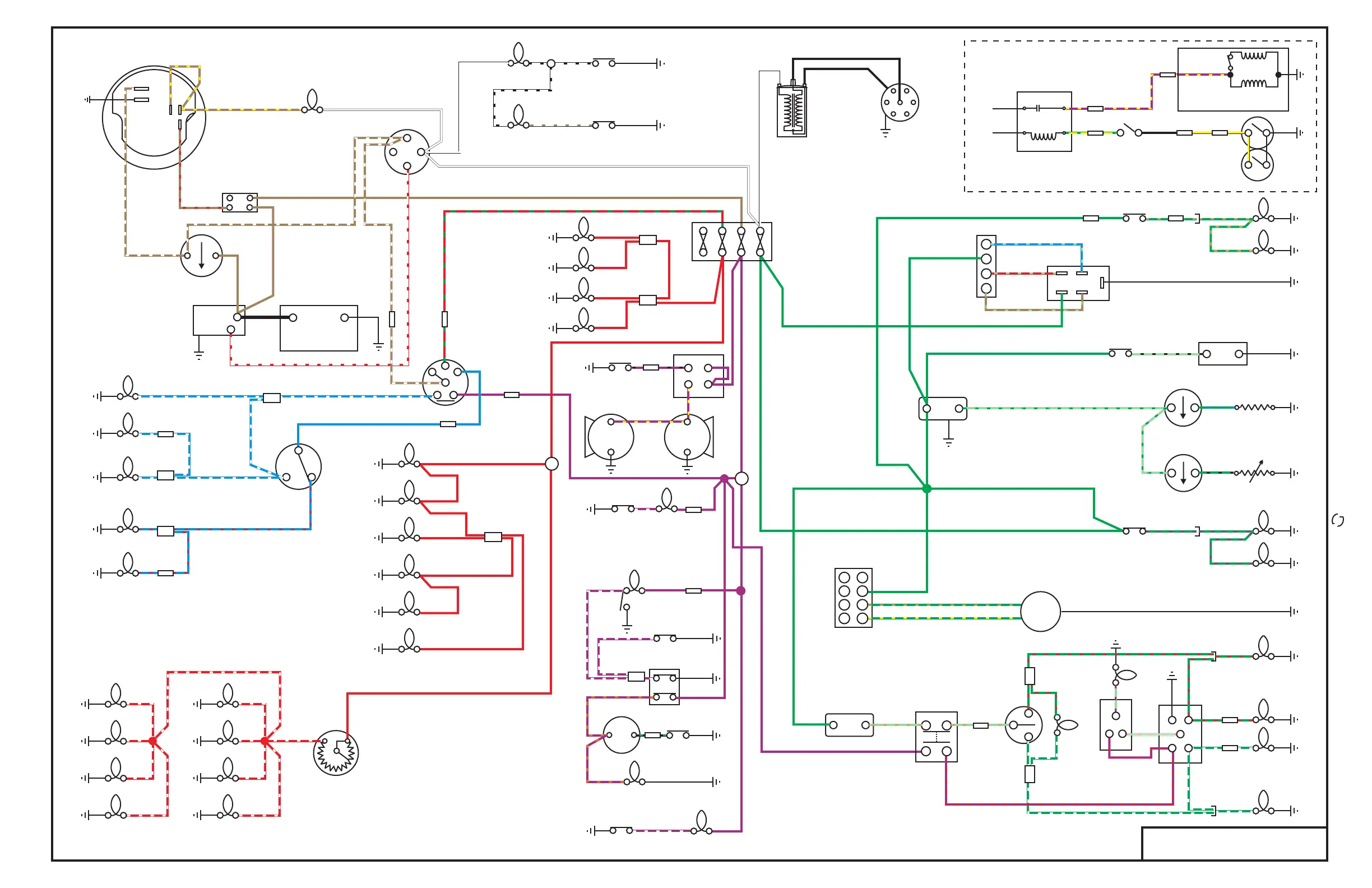
‘70 - ‘71 TR6
DIMMER
SWITCH
HIGH BEAMSLOW BEAMS
HIGH BEAM INDICATOR
BRAKE WARNING LAMP
LOW OIL PRESSURE LAMP
BRAKE WARNING SWITCH
LOW OIL PRESSURE SWITCH
IGNITION SWITCH
REVERSE LIGHTS
& SWITCH
BRAKE LIGHTS
& SWITCH
AMMETER
HEATER FAN
SWITCH
+
-
BATTERY
STARTER
GAUGE ILLUMINATION LAMPS
W1
W2
C1
C2
YP YP
Y
Y
YG
YG
B
W
N
B
FROM FUSE BOX
OVERDRIVE
ON - OFF
SWITCH
TRANSMISSION
INTERLOCK
SWITCHES
PULL-IN
COIL
HOLDING
COIL
CUT-OUT
SWITCH
OVERDRIVE
SOLENOID
RELAY
OPTIONAL OVERDRIVE
TAIL, REAR MARKER, &
LICENSE PLATE LAMPS
+
-
TEMP GAUGE & SENDER
FUEL GAUGE & SENDER
B
I
WIPER MOTOR
WIPER SWITCH
C1
W1
W2
C2
C4
P
B
L
1
3
4
HAZARD
SWITCH
TURN SIGNAL
SWITCH
TURN SIGNAL
FLASHER
TS INDICATOR
HAZARD
RELAY
HAZARD
FLASHER
LH REAR
LH FRONT
RH FRONT
RH REAR
B L
HEATER FAN MOTOR
WINDSHIELD WASHER
B
DISTRIBUTER
IGNITION
COIL
ALTERNATOR
GR
GR
GR GR
GR GR
GR
GR
GR
GW GW
GW
GW
GW
GW
GW
GW
GW
PR
LG/P
GP GPGP
GP
G
G
G
G
G
G
G
G
G
G GPPR
G
G
B
G
G GN GN GN
GN
LG/B
GN
GY
GU
GB
LG/G
GAUGE VOLTAGE
STABILIZER
B
U/LG
R/LG
N/LG
W
LG/G
W
W
W
W
W
W
WB
WN
WB
RG
RG
U
U
P
UW
UW
WR
WR
N
N
N
N
NR
NY
NY
W
NW
NW
NW
NW
NU
NW
UW
UW
UW
UW
U
UR
UR
UW
UR
UR
R
R
R
R
R
R
R
RW
RW
RW
RW RW
RW
RW
RW
RW
P
PR
G LG/N LG/N LG/N
B
B
B
N
LG/K
PR
B
B
B
B
B
B
B
B
B
B
B
Y B
B
FRONT PARKING &
MARKER LIGHTS
RG
R
R
R
R
R
R
B
B
B
B
GAUGE LAMP
DIMMER CONTROL
R
X
R
R
R
GLOVE BOX LAMP & SWITCH
TRANSMISSION
TUNNEL LAMP
DOOR
SWITCHES
HORN
BUTTON
HORNS
C2
W1
W2
C1
RH
LH
IGNITION KEY
WARNING
CIRCUIT
PO
PO
PO
B
BG
PPPW
PW
P
PW P
PBPB
PY
PY
P
P
P
P
B
B
B
TRUNK LAMP & SWITCH
P
PW
P
X
COLOR CODES
N Brown LG Light Green G Green
U Blue W White B Black
R Red Y Yellow K Pink
P Purple S Slate O Orange
KEY ILLUMINATION LAMP
2
1 2
3
4
5 6
7
8
AUTO-WIRE
advance
May be reproduced for personal, non-commercial use only
www.advanceautowire.com
A PUBLICATION 5 © 200
d
m
p

Related product manuals