EasyManua.ls Logo

Troy-Bilt TB10CS - Page 63

Troy-Bilt TB10CS
64 pages
Print Icon
To Next Page IconTo Next Page
To Next Page IconTo Next Page
To Previous Page IconTo Previous Page
To Previous Page IconTo Previous Page
Loading...
E23
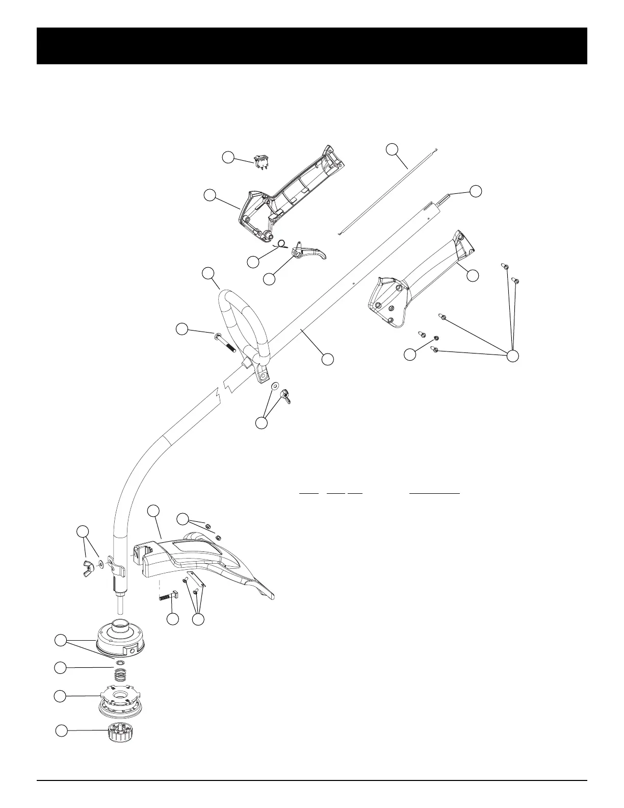
PARTS LIST
BOOM AND TRIMMER PARTS - TB10CS
2 CYCLE TRIMMER
Item Part No. Description
1 753-04234 Throttle Housing Assembly (includes 2-4)
2 791-182405 Switch
3 791-182690 Throttle Trigger Spring
4 753-04119 Throttle Trigger
5 791-181844 Throttle Housing Screws
6 753-04466 Anti-Rotation Screw
7 753-04405 Throttle Cable
8 753-04830 Flexible Drive Shaft
9 753-04831 Drive Shaft Housing Assembly (includes 8 & 15)
10 791-153064 D-Handle Assembly (includes 11)
11 791-153317 D-Handle Hardware
12 753-04282 Guard Mounting Hardware
13 753-04283 Guard (includes 14)
14 791-180553 Blade Assembly
15 753-04284 Outer Reel w/Retainer
16 791-610317B Spring
17 791-610318 Inner Reel
18 791-153066B Bump Knob
* Items Not Shown
1
7
8
1
5
4
3
11
11
10
9
12
14
14
13
12
16
17
18
15
6
2

Related product manuals