EasyManua.ls Logo

Trumeter 7911 - Page 13

Trumeter 7911
24 pages
Print Icon
To Next Page IconTo Next Page
To Next Page IconTo Next Page
To Previous Page IconTo Previous Page
To Previous Page IconTo Previous Page
Loading...
13
Répéter SANS modifications pour sortir
de la programmation
Reset
Reset
Reset
Reset
Reset
Reset
Reset
Reset
Reset
+
pour entrer en mode programmation
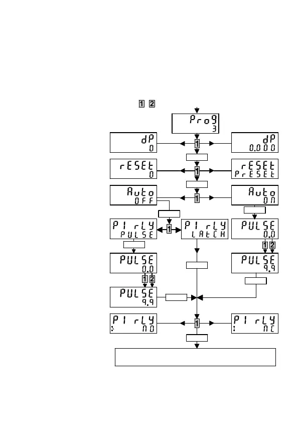
Pro9 : programmation
dP : virgule
rESET : RAZ
prESET : valeur de
présélection
OFF : désactivé
On : activé
rLy : relais
PULSE : a impulsions
lAtCH : maintenu
no : normalement
ouvert
nc : normalement
fermé
Schéma de programmation
Pour entrer en mode programmation, maintenir simultanément appuyées les touches de
programmation 1 et 2. Le mot "PROG" s'affiche et le compteur en bas à droite de
l'affichage commence à décompter en secondes à partir de 3. Voir schéma.
Lorsque l'on entre en mode programmation, les valeurs des derniers réglages
apparaissent. La touche 1 fait défiler les différentes options de chaque fonction et la
touche RAZ permet de passer à la fonction suivante. Pour valider les programmations, il
suffit de faire défiler toutes les fonctions à l'aide de la touche RAZ sans effectuer de
modifications.

Related product manuals