EasyManua.ls Logo

Trumeter 7911 - Page 9

Trumeter 7911
24 pages
Print Icon
To Next Page IconTo Next Page
To Next Page IconTo Next Page
To Previous Page IconTo Previous Page
To Previous Page IconTo Previous Page
Loading...
9
Wiederholen Sie den Ablauf OHNE Änderungen
vorzunehmen, wenn Sie den
Programmiermodus beenden möchten
Reset
Reset
Reset
Reset
Reset
Reset
Reset
Reset
Reset
+
um den Programmiermodus zu starten
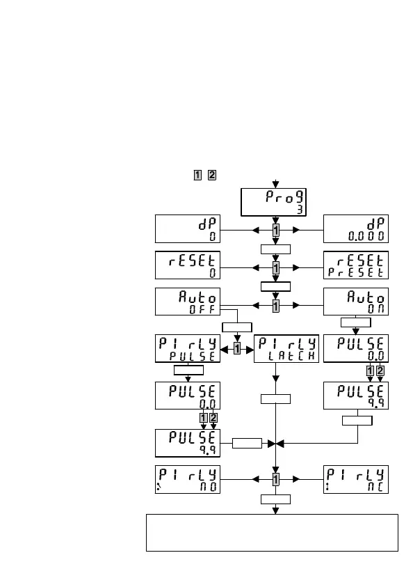
Pro9 = Programm
dP = Dezimalpunkt
rESEt = Rücksetzen
PrESEt = auf Varwahl
0 = auf Null
OFF = Aus
On = Ein
rLy Relais
PULSE= gepulset
LAtCH = Daueran
nC= Ruhekontakt
(öffner)
nO = Arbeitskontakt
(Schleisser)
Flussdiagramm der Programmierung
Um den Programmiermodus zu starten, halten Sie die Programmiertasten 1 und 2
gleichzeitig gedrückt. Das Wort PROG wird angezeigt, und in der unteren rechten Ecke
der Anzeige beginnt ein Zähler beginnend bei dem Wert Drei sekundenweise
herunterzuzählen. Das Gerät wechselt in den im Flussdiagramm dargestellten
Programmiermodus.
Wenn Sie den Programmiermodus starten, werden die zuletzt eingestellten Zahlenwerte
angezeigt. Mit der Taste 1 können Sie zwischen den in der Anzeige dargestellten
Optionen für die verschiedenen Funktionen wechseln, und mit der Rücksetztaste
wechseln Sie zur nächsten Funktion. Wenn Sie die Einstellungen übernehmen möchten,
können Sie die verschiedenen Funktionen mit der Rücksetztaste durchlaufen, ohne
irgendwelche Änderungen vorzunehmen.

Related product manuals