Home
Trumeter
Relays
7921
Page 38
Trumeter 7921 - Page 38
40 pages
Manual
Save Page as PDF
To Next Page
To Next Page
To Previous Page
To Previous Page
Loading...
38
220V
1
2
7
6
5
4
120V
30V
1
7
6
5
4
2
220V
12V
24V
3
7
6
5
4
11
7
6
5
4
1
3
+V
0V
2
B
8
12
9
13
10
14
K
P1
P2
A
R
11
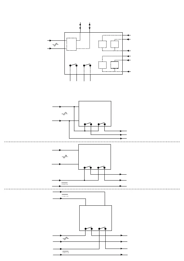
Relay examples, Beispiele Relaisverdrahtung,
Exemples de Relais, Ejemplos de Relé, Esempi di relè
Connections, Anschlüsse, Connexions,
Conexiones, Collegamenti
37
39
Table of Contents
Main Page
Count Modes
3
Input Polarity
5
Count Direction
5
Spezifikation
8
Caractéristiques
14
Face Avant
14
Panel Frontal
20
Il Pannello Frontale
26
Installation
32
Maintenance
32
Wartung
33
Instalación
33
Mantenimiento
34
Installazione
34
Manutenzione
34
Related product manuals
Trumeter 7955
24 pages