EasyManua.ls Logo

Truper GEN-45X - Electric Diagram

Truper GEN-45X
32 pages
Print Icon
To Next Page IconTo Next Page
To Next Page IconTo Next Page
To Previous Page IconTo Previous Page
To Previous Page IconTo Previous Page
Loading...
13
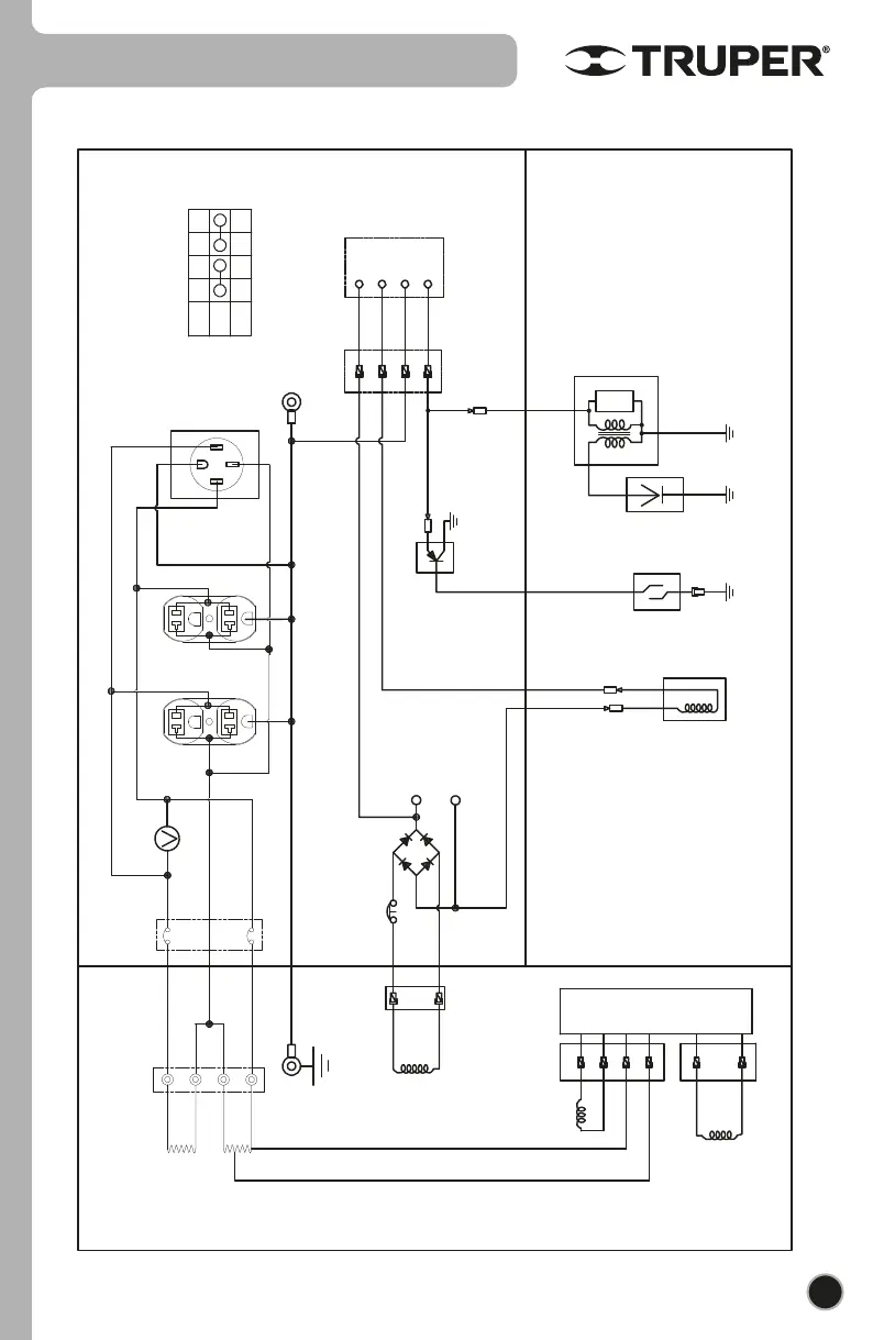
Electric Diagram
ENGLISH
Yellow /
Green
Black
Spark Plug
Amplifier
Oil level switch Ignition voil
AVR
White
Red
Brown
White
Blue
Blue
Engine switch
Driving winding
Field winding
Vice winding
Yellow /
Green
Yellow /
Green
Yellow /
Green
Ground
Power section
Motor section
Panel section
Yellow /
Green
Black
Yellow
Fuel
solenoid
Orange Orange
4
3
2
1
OFF
ON
Switch state
1 2 3 4
DC winding
Orange
Orange
DC 12V+
DC 12V-
Breaker
Gray
Grey
Red
White
Black
Red
White
White
Black
Main winding
White
Black
Red
White White
Black
White
Red
Protector

Related product manuals